PRODUCTS
- 首頁
- 產品介紹
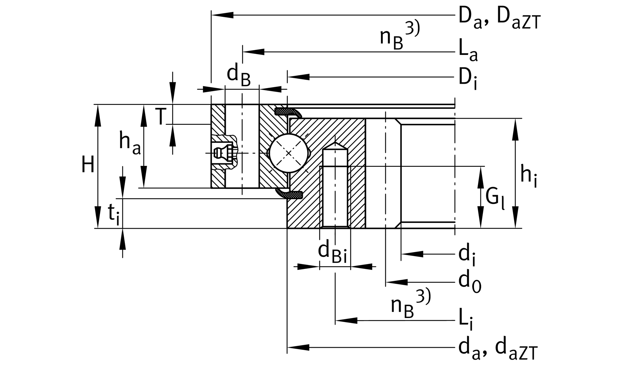
| d1 | 610 mm | 內徑 |
| daZT | 755 mm | Diameter centring inner ring |
-IT8 | Diameter centring inner ring tolerance | |
| T | 19 mm | Length centering inner ring |
| H | 80 mm | 高度 |
| Da | 855 mm | 外徑 |
| Da ZT | 853 mm | Diameter centring outer ring |
-IT8 | Diameter centring outer ring tolerance | |
| T | 15 mm | Length centering outer ring |
| ha | 54 mm | Width outer ring |
| hi | 71 mm | 內圈寬度 |
0.03 mm | Normal 徑向間隙 min. | |
0.13 mm | Normal 徑向間隙 max. | |
0.05 mm | Normal axial clearance min. | |
0.24 mm | Normal axial clearance max. | |
| ≈m | 119 kg | 重量 |
| Di | 753 mm | 外圈內徑 |
| La | 815 mm | 外圈螺距圓固定孔直徑 |
| na | 24 | 外圈固定孔數 |
| dB | 22 mm | 固定內徑 |
| da | 757 mm | 內圈外徑 |
| Li | 694 mm | 內圈螺距圓直徑固定孔 |
| dBi | M20 | Tread 固定內徑 |
| Gl | 40 mm | Thread depth fixing hole |
| ni | 24 | 內圈固定孔數 |
| Fr zul | 380,000 N | Max. radial load fixing screws (friction locking) |
| m | 10 mm | Modul of gearing |
| z | 63 | Number of teeth |
| d0 | 630 mm | Pitch circle diameter gearing |
| Fz norm | 68,000 N | Max. tooth force root fatigue strenght (at a shock factor of 1,2) |
| Fz max | 98,900 N | Max. tooth force against tooth fracture (at a shock factor of 1,35) |
| Ca | 340,000 N | 基本額定動載荷,軸向 |
| C0a | 2,700,000 N | 基本額定靜態載荷,軸向 |
| Cr | 305,000 N | 基本額定動載荷,徑向 |
| C0r | 1,230,000 N | 基本額定靜態負荷,徑向 |
| Centering | ZT | Centering on inner and outer ring |
| Gearing | N | Normalized gear teeth on bearing ring |
| Radial internal clearance | RL0 | 徑向間隙 0 to 0,05; axial tilting clearance 0 to 0,08 |