PRODUCTS
- 首頁
- 產品介紹
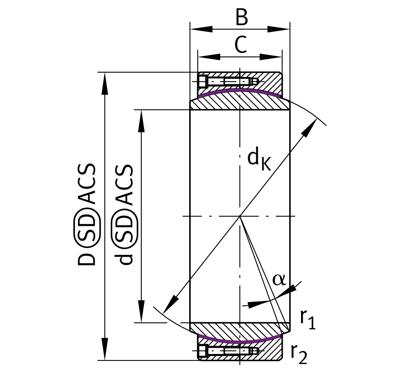
| d | 560 mm | 內徑 bearing |
| D | 750 mm | 外徑 bearing |
| B | 258 mm | 內圈寬度 |
| C | 215 mm | Width Outer ring |
| Cr | 8,500,000 N | 基本額定動載荷,徑向 |
| C0r | 12,750,000 N | 基本額定靜態負荷,徑向 |
| ≈m | 317 kg | 重量 |
| r1smin | 2 mm | 邊緣間距 |
| r2smin | 1 mm | 邊緣間距 |
| Da min | 624 mm | 軸承座 Connection Diameter |
| damax | 602 mm | Connection measurement, inner ring |
| dK | 655 mm | 球直徑 |
| α | 4 ° | 傾斜角度 |
| dT | H7 | 內徑 bearing, tolerance |
| DOT | 0 mm | 外徑、公差上限 |
| DUT | -0.07 mm | 外徑,公差下限 |
| BOT | 0 mm | 內圈寬度, 公差上限 |
| dUT | 0 mm | 內徑 bearing, 較低的公差 |
| BUT | -0.4 mm | 內圈寬度, 較低的公差 |
| dOT | 0.07 mm | 內徑 bearing, 公差上限 |
| COT | 0 mm | Width outer ring, 公差上限 |
| CUT | -0.4 mm | Width outer ring, 較低的公差 |
| Gr | 0,165-0,42 | 徑向間隙 |
| Grmax | 0.42 mm | 最大徑向間隙 |
| Grmin | 0.165 mm | 徑向間隙,最小 |
| Tmin | -20 °C | 最低工作溫度 |
| Tmax | 75 °C | 最高操作溫度 |
| Sealing | 沒有 | |
| Radial internal clearance | CN (Group N) | 正常內部間隙 |
| Bore lining | 沒有 | |
| Coating | G9 | Outer ring 外徑 hard chromium coated, inner ring bore with H7 tolerance |
| Material | Steel | Steel |
| Fabric | GFK+PTFE | Glass fibre-reinforced sliding plastic plate with additives of PTFE |