PRODUCTS


INA
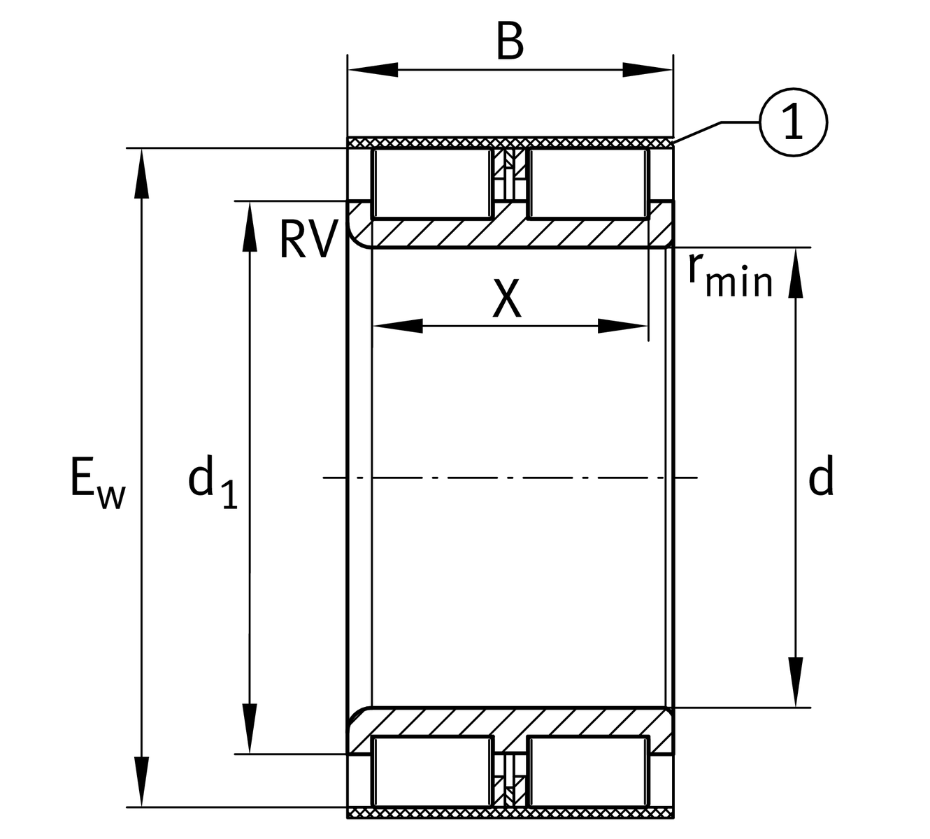
RSL65x93,09x55-XL-RV-DP
Cylindrical roller bearing RSL65x93,09x55-XL-RV-DP
加入詢價
主要尺寸與性能資料
d
65 mm
內圈擋邊直徑
Ew
93.09 mm
B
55 mm
寬度
Cr
255,000 N
基本額定動載荷,徑向
C0r
375,000 N
基本額定靜態負荷,徑向
Cur
64,000 N
疲勞負載極限,徑向
nG
4,000 1/min
極限轉速
nϑr
2,000 1/min
參考轉速
≈m
1.09 kg
重量

安裝尺寸
da min
78 mm
軸肩最小直徑

尺寸
rmin
1.1 mm
最小倒角尺寸
X
48.1 mm
raceway width

溫度範圍
Tmin
-30 °C
最低工作溫度
Tmax
120 °C
最高操作溫度

您目前的產品型號
Number of rolling element rows2雙列設計
加入詢價