PRODUCTS
- 首頁
- 產品介紹
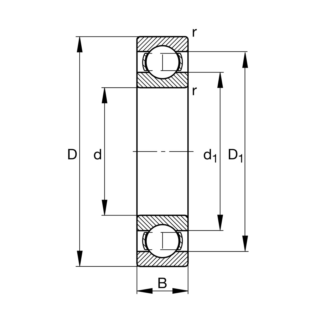
| d | 440 mm | 內徑 |
| D | 650 mm | 外徑 |
| B | 94 mm | 寬度 |
| Cr | 550,000 N | 基本額定動載荷,徑向 |
| C0r | 970,000 N | 基本額定靜態負荷,徑向 |
| Cur | 26,000 N | 疲勞負載極限,徑向 |
| nG | 1,630 1/min | 極限轉速 |
| nϑr | 1,250 1/min | 參考轉速 |
| ≈m | 106 kg | 重量 |
| da min | 463 mm | 軸肩最小直徑 |
| Da max | 627 mm | 殼肩最大直徑 |
| ra max | 5 mm | 最大圓角半徑 |
| rmin | 6 mm | 最小倒角尺寸 |
| D1 | 583.6 mm | 外圈肩徑 |
| d1 | 507.65 mm | 內圈肩徑 |
| Tmin | -30 °C | 最低工作溫度 |
| Tmax | 200 °C | 最高操作溫度 |
| f0 | 16 | 計算參數 |
| Sealing | 沒有 | 未密封 |
| Cage | M | 黃銅實體保持架,滾動體引導 |
| Tolerance class | PN | 正常(PN) |
| Dimensional / heat stabilization | S1 | 環尺寸穩定達 200° |
| Lubricant | 沒有 | 軸承未潤滑 |
| Bore type | Z | 圓柱 |
| Radial internal clearance | CN (Group N) | 正常內部間隙 |