PRODUCTS
- 首頁
- 產品介紹
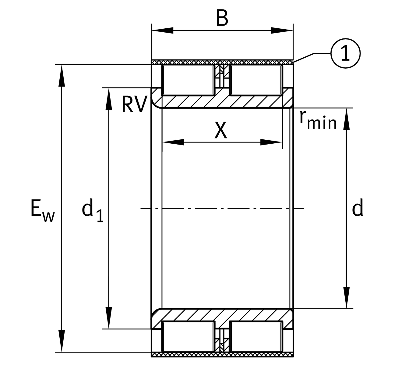
| d | 65 mm | 內圈擋邊直徑 |
| Ew | 106.25 mm | |
| B | 60 mm | 寬度 |
| Cr | 340,000 N | 基本額定動載荷,徑向 |
| C0r | 420,000 N | 基本額定靜態負荷,徑向 |
| Cur | 79,000 N | 疲勞負載極限,徑向 |
| nG | 3,650 1/min | 極限轉速 |
| nϑr | 1,820 1/min | 參考轉速 |
| ≈m | 1.83 kg | 重量 |
| da min | 82 mm | 軸肩最小直徑 |
| rmin | 1.5 mm | 最小倒角尺寸 |
| X | 50.4 mm | raceway width |
| Tmin | -30 °C | 最低工作溫度 |
| Tmax | 120 °C | 最高操作溫度 |
| Number of rolling element rows | 2 | 雙列設計 |