PRODUCTS


INA
RSL50x69,67x40-XL-RV
Cylindrical roller bearing RSL50x69,67x40-XL-RV
加入詢價
主要尺寸與性能資料
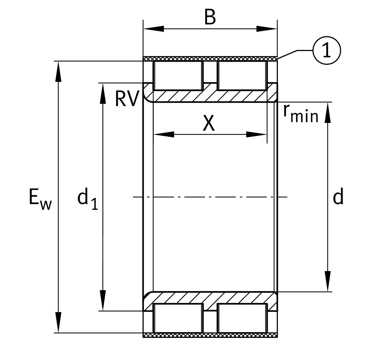
d
50 mm
內圈擋邊直徑
Ew
69.67 mm
B
40 mm
寬度
Cr
135,000 N
基本額定動載荷,徑向
C0r
193,000 N
基本額定靜態負荷,徑向
Cur
33,500 N
疲勞負載極限,徑向
nG
5,400 1/min
極限轉速
nϑr
2,700 1/min
參考轉速
≈m
0.42 kg
重量

安裝尺寸
da min
60 mm
軸肩最小直徑

尺寸
rmin
0.6 mm
最小倒角尺寸
X
33.2 mm
raceway width

溫度範圍
Tmin
-30 °C
最低工作溫度
Tmax
120 °C
最高操作溫度

您目前的產品型號
Number of rolling element rows2雙列設計
加入詢價