PRODUCTS
- 首頁
- 產品介紹
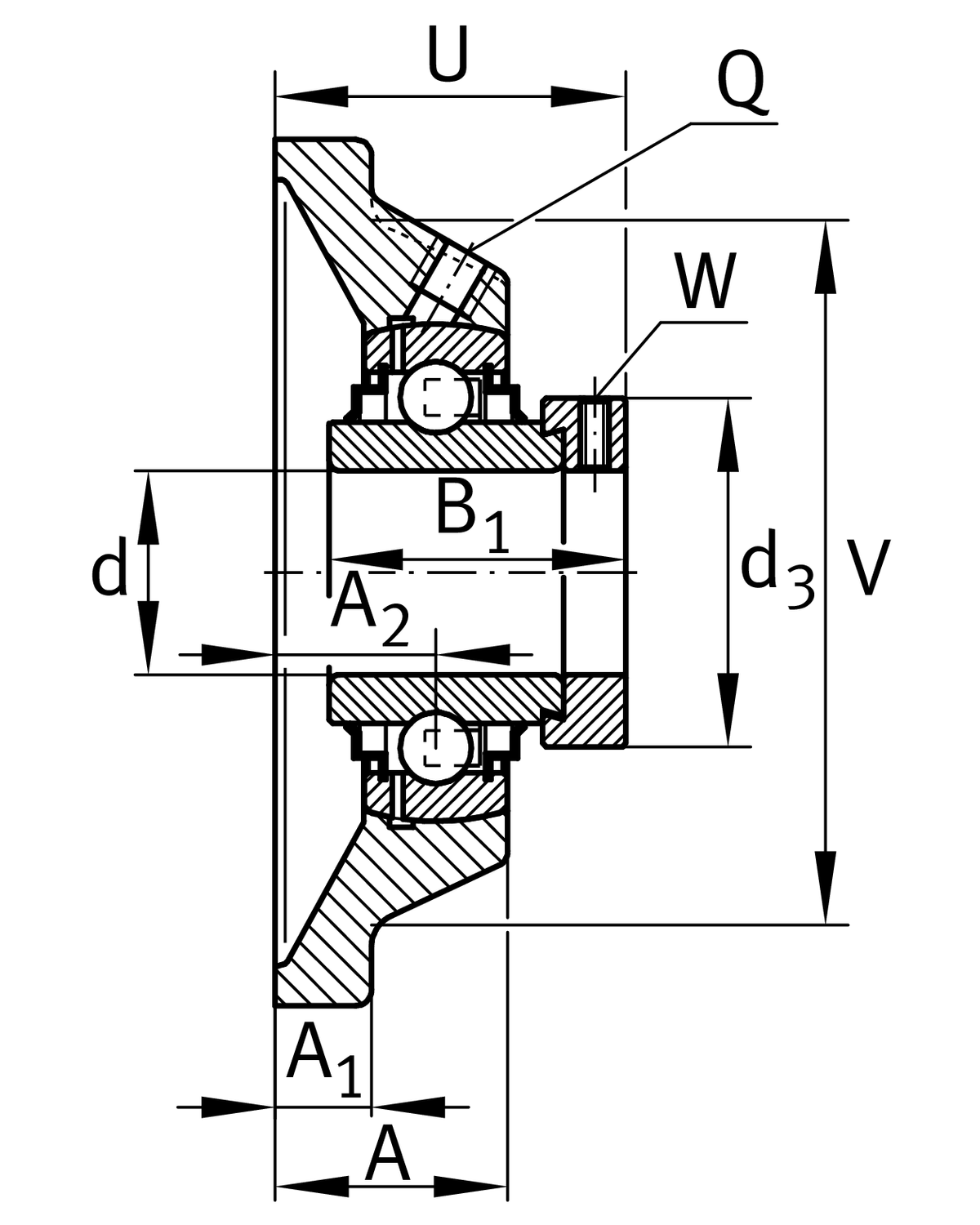
| d | 60 mm | 內徑 |
| L | 175 mm | 法蘭寬度 |
| U | 80.9 mm | 總高度單位 |
| Cr | 56,000 N | 基本額定動載荷,徑向 |
| C0r | 36,000 N | 基本額定靜態負荷,徑向 |
| Cur | 1,710 N | 疲勞負載極限,徑向 |
| ≈m | 4.3 kg | 重量 |
| J | 143 mm | 固定內孔距離 |
| N | 18 mm | 固定內徑 |
| W | 5 mm | 平面寬度s |
| n | 4 | 螺絲孔數 |
| A | 47.5 mm | 外殼高度 |
| A1 | 16 mm | 厚度 of flange |
| A2 | 34 mm | 滾道距離 |
| B1 | 77.9 mm | 鎖環總寬度 |
| V | 150 mm | Shoulder diameter 軸承座 |
| Q | M6 | 用於潤滑的連接螺紋 |
| d3 | 84 mm | 外徑 locking device |
GEHCJ12-GG-N-FA125.1 | 軸承座 | |
GE60-XL-KRR-B-FA164 | 軸承型號 |
| Tmin | 150 °C | 最低工作溫度 |
| Tmax | 250 °C | 最高操作溫度 |
| Material | GG | 灰鑄鐵 |
| Manufacturing instruction | FA164 | High temperature design up to +250°C |