PRODUCTS
- 首頁
- 產品介紹
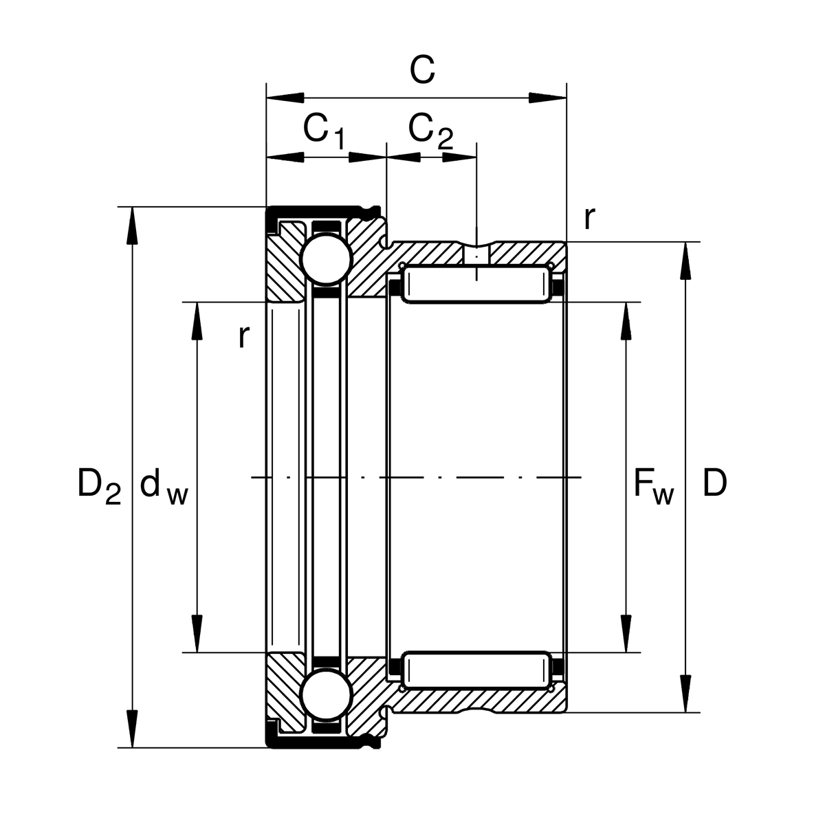
| Fw | 60 mm | 內徑 |
| D | 72 mm | 外徑 |
| C | 40 mm | 高度 |
| Cr | 47,500 N | 基本額定動載荷,徑向 |
| C0r | 90,000 N | 基本額定靜態負荷,徑向 |
| Ca | 41,500 N | 基本額定動載荷,軸向 |
| C0a | 113,000 N | 基本額定靜態載荷,軸向 |
| Cur | 15,600 N | 疲勞負載極限,徑向 |
| Cua | 5,600 N | 疲勞負荷極限,軸向 |
| nG | 2,800 1/min | 極限轉速 |
| ≈m | 454.6 g | 重量 |
| da | 80.5 mm | Mounting dimension shaft shoulder |
| ra max | 1 mm | 最大凹槽半徑 |
| D1 max | 86.5 mm | Maximum outerside diameter flange |
| D2 max | 86.5 mm | Maximum outerside diameter flange |
| C1 | 17 mm | Width of the axial brearing component |
| C1 | 12 mm | 至潤滑孔距離 |
| C2 | 12 mm | 至潤滑孔距離 |
| dw | 60 mm | 內徑 of shaft washer |
| rmin | 1 mm | 最小倒角尺寸 |
| Tmin | -30 °C | 最低工作溫度 |
| Tmax | 120 °C | 最高操作溫度 |
IR50X60X25-XL | Suitable inner rings IR |
| Sealing | Z | Bearing with end cap |
| Cage | Standard | Standard |