PRODUCTS


INA
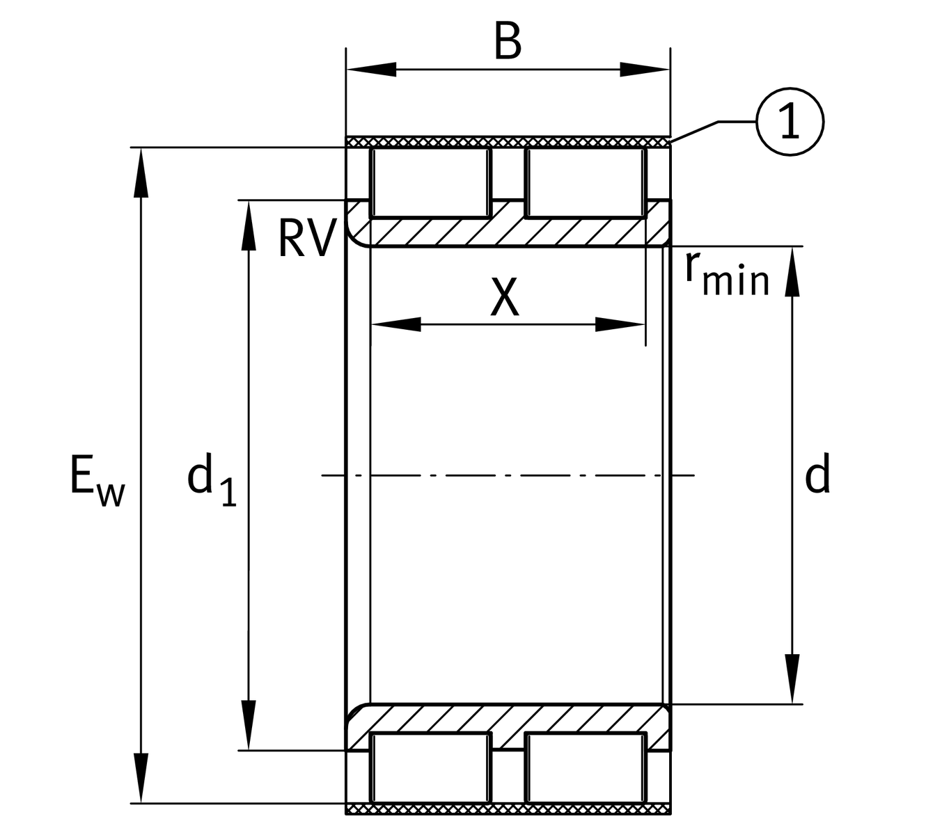
RSL45x61,55x36-XL-RV
Cylindrical roller bearing RSL45x61,55x36-XL-RV
加入詢價
主要尺寸與性能資料
d
45 mm
內圈擋邊直徑
Ew
61.55 mm
B
36 mm
寬度
Cr
102,000 N
基本額定動載荷,徑向
C0r
145,000 N
基本額定靜態負荷,徑向
Cur
25,500 N
疲勞負載極限,徑向
nG
6,100 1/min
極限轉速
nϑr
3,050 1/min
參考轉速
≈m
0.28 kg
重量

安裝尺寸
da min
53.5 mm
軸肩最小直徑

尺寸
rmin
0.6 mm
最小倒角尺寸
X
29.2 mm
raceway width

溫度範圍
Tmin
-30 °C
最低工作溫度
Tmax
120 °C
最高操作溫度

您目前的產品型號
Number of rolling element rows2雙列設計
加入詢價