PRODUCTS


INA
RSL40x56,09x36-XL-RV-DP
Cylindrical roller bearing RSL40x56,09x36-XL-RV-DP
加入詢價
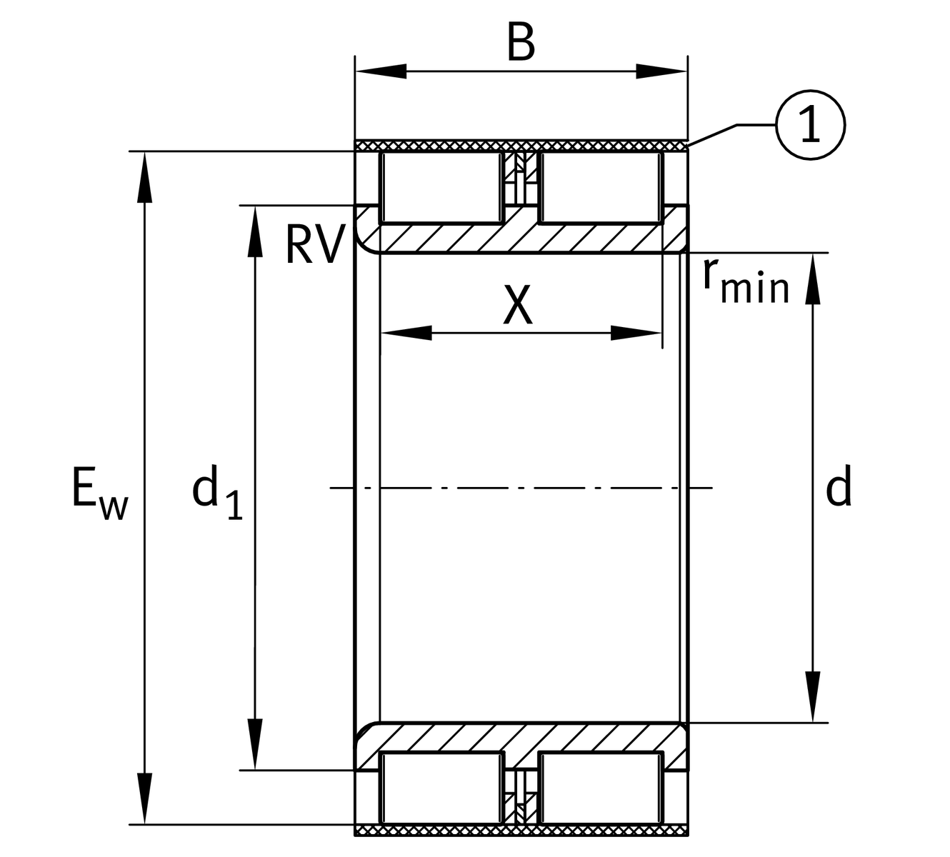
主要尺寸與性能資料
d
40 mm
內圈擋邊直徑
Ew
56.09 mm
B
36 mm
寬度
Cr
91,000 N
基本額定動載荷,徑向
C0r
138,000 N
基本額定靜態負荷,徑向
Cur
23,800 N
疲勞負載極限,徑向
nG
6,700 1/min
極限轉速
nϑr
3,350 1/min
參考轉速
≈m
0.26 kg
重量

安裝尺寸
da min
49.5 mm
軸肩最小直徑

尺寸
rmin
0.6 mm
最小倒角尺寸
X
29 mm
raceway width

溫度範圍
Tmin
-30 °C
最低工作溫度
Tmax
120 °C
最高操作溫度

您目前的產品型號
Number of rolling element rows2雙列設計
加入詢價