PRODUCTS


INA
RSL35x55,52x34-XL-RV-DP
Cylindrical roller bearing RSL35x55,52x34-XL-RV-DP
加入詢價
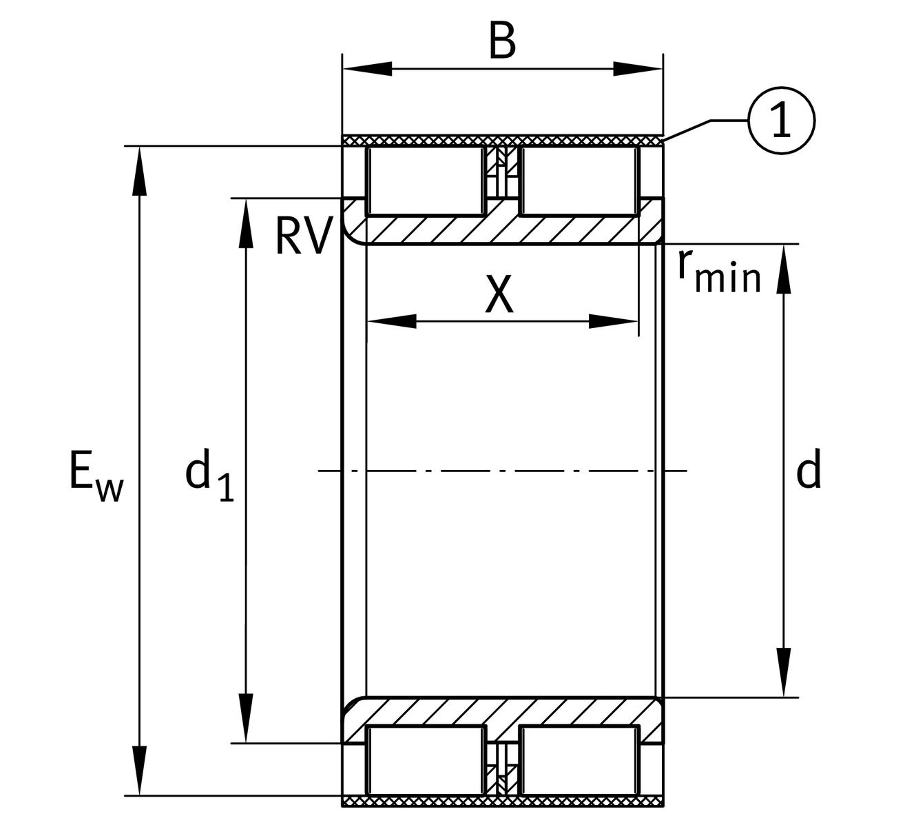
主要尺寸與性能資料
d
35 mm
內圈擋邊直徑
Ew
55.52 mm
B
34 mm
寬度
Cr
94,000 N
基本額定動載荷,徑向
C0r
107,000 N
基本額定靜態負荷,徑向
Cur
19,200 N
疲勞負載極限,徑向
nG
7,100 1/min
極限轉速
nϑr
3,550 1/min
參考轉速
≈m
0.27 kg
重量

安裝尺寸
da min
44.5 mm
軸肩最小直徑

尺寸
rmin
1 mm
最小倒角尺寸
X
27.2 mm
raceway width

溫度範圍
Tmin
-30 °C
最低工作溫度
Tmax
120 °C
最高操作溫度

您目前的產品型號
Number of rolling element rows2雙列設計
加入詢價