PRODUCTS
- 首頁
- 產品介紹
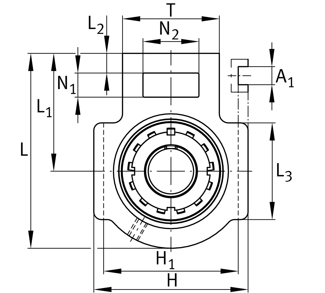
| d | 55 mm | 內徑 |
| H | 146 mm | 高度 |
| L | 194 mm | Length total |
| B1 | 62 mm | 鎖環總寬度 |
| ≈m | 4.79 kg | 重量 |
| A1 | 22 mm | Width guidance groove |
0.3 mm | Upper width guidance groove tolerance | |
0 mm | Lower width guidance groove tolerance | |
| H1 | 130 mm | Distance guidance grooves |
0 mm | Upper distance guidance groove tolerance | |
-0.8 mm | Lower distance guidance groove tolerance | |
| N | 35 mm | 固定內徑 |
| L1 | 119 mm | Distance shaft axis |
| L2 | 19 mm | Length fixed link |
| L3 | 102 mm | Length guidance groove |
| A | 64 mm | Width 軸承座 fixing side |
| N1 | 32 mm | Width recess |
| N2 | 64 mm | Height recess |
| T | 102 mm | 外殼高度 fixing side |
| Q | M6 | 用於潤滑的連接螺紋 |
| A2 | 42 mm | Width 軸承座 |
T212 | 軸承座 | |
UK212 | 軸承型號 |
| Tmin | -20 °C | 最低工作溫度 |
| Tmax | 100 °C | 最高操作溫度 |
| Material | GG | 灰鑄鐵 |