PRODUCTS


INA
RSL182311-A-2S
Cylindrical roller bearing RSL182311-A-2S
加入詢價
主要尺寸與性能資料
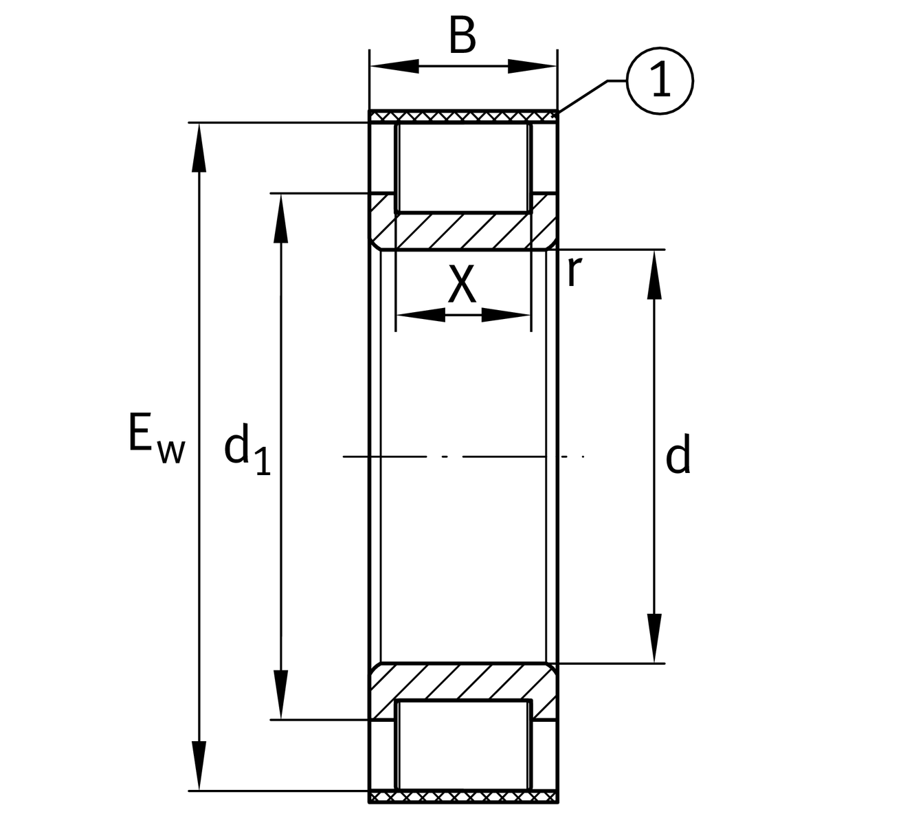
d
55 mm
內徑
Ew
109.1 mm
Outer envelope circle
B
43 mm
寬度
Cr
238,000 N
基本額定動載荷,徑向
C0r
250,000 N
基本額定靜態負荷,徑向
Cur
39,500 N
疲勞負載極限,徑向
nG
3,750 1/min
極限轉速
≈m
1.57 kg
重量

安裝尺寸
da min
75.5 mm
軸肩最小直徑
X
30 mm
raceway width

尺寸
rmin
2 mm
最小倒角尺寸
d1
75.5 mm
內圈最大擋邊直徑
TK
88.1 mm
pitch circle

溫度範圍
Tmin
-30 °C
最低工作溫度
Tmax
120 °C
最高操作溫度

您目前的產品型號
DesignAInternal Variant Cage A
Number of rolling element rows1單列設計
加入詢價