PRODUCTS
- 首頁
- 產品介紹
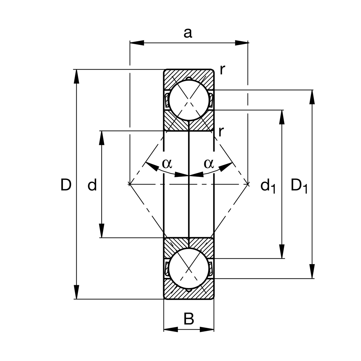
| d | 360 mm | 內徑 |
| D | 650 mm | 外徑 |
| B | 122 mm | 寬度 |
| Cr | 1,110,000 N | 基本額定動載荷,徑向 |
| C0r | 2,600,000 N | 基本額定靜態負荷,徑向 |
| Cur | 67,000 N | 疲勞負載極限,徑向 |
| nG | 1,700 1/min | 極限轉速 |
| nϑr | 810 1/min | 參考轉速 |
| ≈m | 191.6 kg | 重量 |
| da min | 386 mm | 軸肩最小直徑 |
| Da max | 624 mm | 殼肩最大直徑 |
| ra max | 5 mm | 最大圓角半徑 |
| rmin | 6 mm | 最小倒角尺寸 |
| D1 | 544.2 mm | 外圈肩徑 |
| d1 | 469.9 mm | 內圈肩徑 |
| a | 505 mm | 壓力錐頂點之間的距離 |
| α | 45 ° | 接觸角 |
| Tmin | -30 °C | 最低工作溫度 |
| Tmax | 200 °C | 最高操作溫度 |
| Cage | MPA | 黃銅實體保持架,外圈引導 |
| Tolerance class | PN | 正常(PN) |
| Dimensional / heat stabilization | S1 | 環尺寸穩定達 200° |
| Axial internal clearance | CN | 正常組(標準間隙) |