PRODUCTS


INA
RSL25x42,51x24-XL-RV-DP
Cylindrical roller bearing RSL25x42,51x24-XL-RV-DP
加入詢價
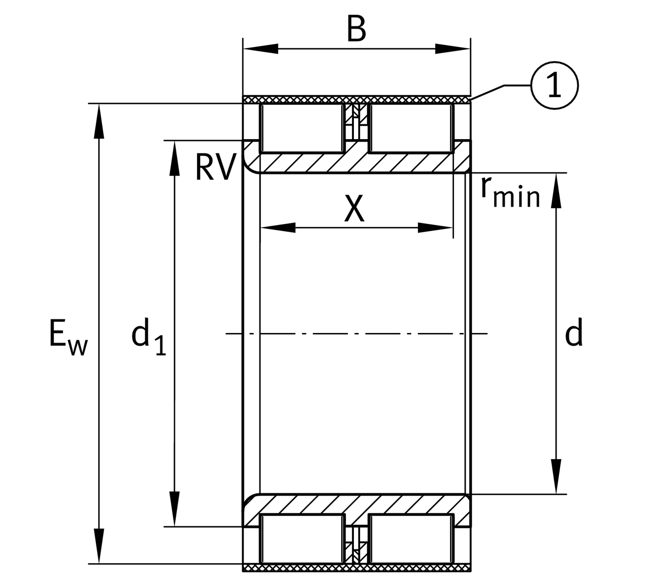
主要尺寸與性能資料
d
25 mm
內圈擋邊直徑
Ew
42.51 mm
B
24 mm
寬度
Cr
40,500 N
基本額定動載荷,徑向
C0r
38,500 N
基本額定靜態負荷,徑向
Cur
7,000 N
疲勞負載極限,徑向
nG
9,500 1/min
極限轉速
nϑr
4,750 1/min
參考轉速
≈m
0.12 kg
重量

安裝尺寸
da min
34.5 mm
軸肩最小直徑

尺寸
rmin
0.6 mm
最小倒角尺寸
X
17 mm
raceway width

溫度範圍
Tmin
-30 °C
最低工作溫度
Tmax
120 °C
最高操作溫度

您目前的產品型號
Number of rolling element rows2雙列設計
加入詢價