PRODUCTS
- 首頁
- 產品介紹
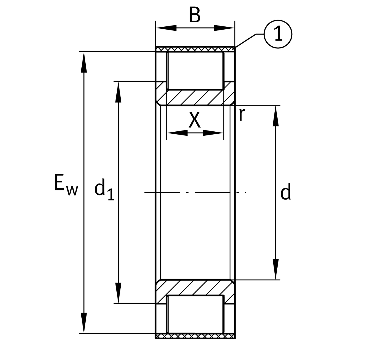
| d | 25 mm | 內徑 |
| Ew | 42.51 mm | Outer envelope circle |
| B | 12 mm | 寬度 |
| Cr | 26,600 N | 基本額定動載荷,徑向 |
| C0r | 19,300 N | 基本額定靜態負荷,徑向 |
| Cur | 3,500 N | 疲勞負載極限,徑向 |
| nG | 10,900 1/min | 極限轉速 |
| ≈m | 0.06 kg | 重量 |
| da min | 34.6 mm | 軸肩最小直徑 |
| X | 6 mm | raceway width |
| rmin | 0.6 mm | 最小倒角尺寸 |
| d1 | 34.6 mm | 內圈最大擋邊直徑 |
| TK | 36.51 mm | pitch circle |
| Tmin | -30 °C | 最低工作溫度 |
| Tmax | 120 °C | 最高操作溫度 |
| Number of rolling element rows | 1 | 單列設計 |