PRODUCTS
- 首頁
- 產品介紹
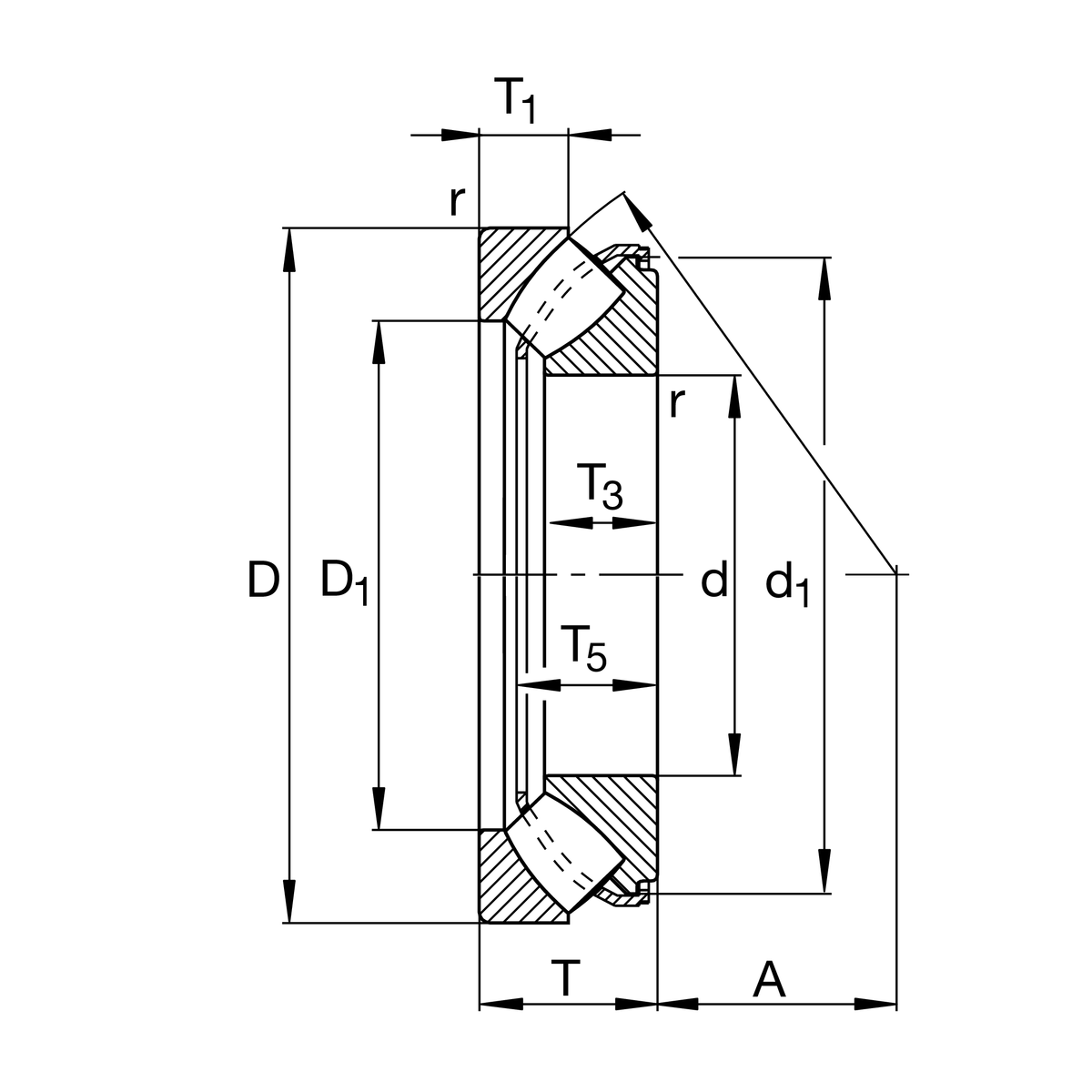
| d | 320 mm | 內徑 |
| D | 580 mm | 外徑 |
| T | 155 mm | 高度 |
| Ca | 6,000,000 N | 基本額定動載荷,軸向 |
| C0a | 19,100,000 N | 基本額定靜態載荷,軸向 |
| Cua | 1,790,000 N | 疲勞負荷極限,軸向 |
| nG | 1,090 1/min | 極限轉速 |
| nϑr | 530 1/min | 參考轉速 |
| ≈m | 162.5 kg | 重量 |
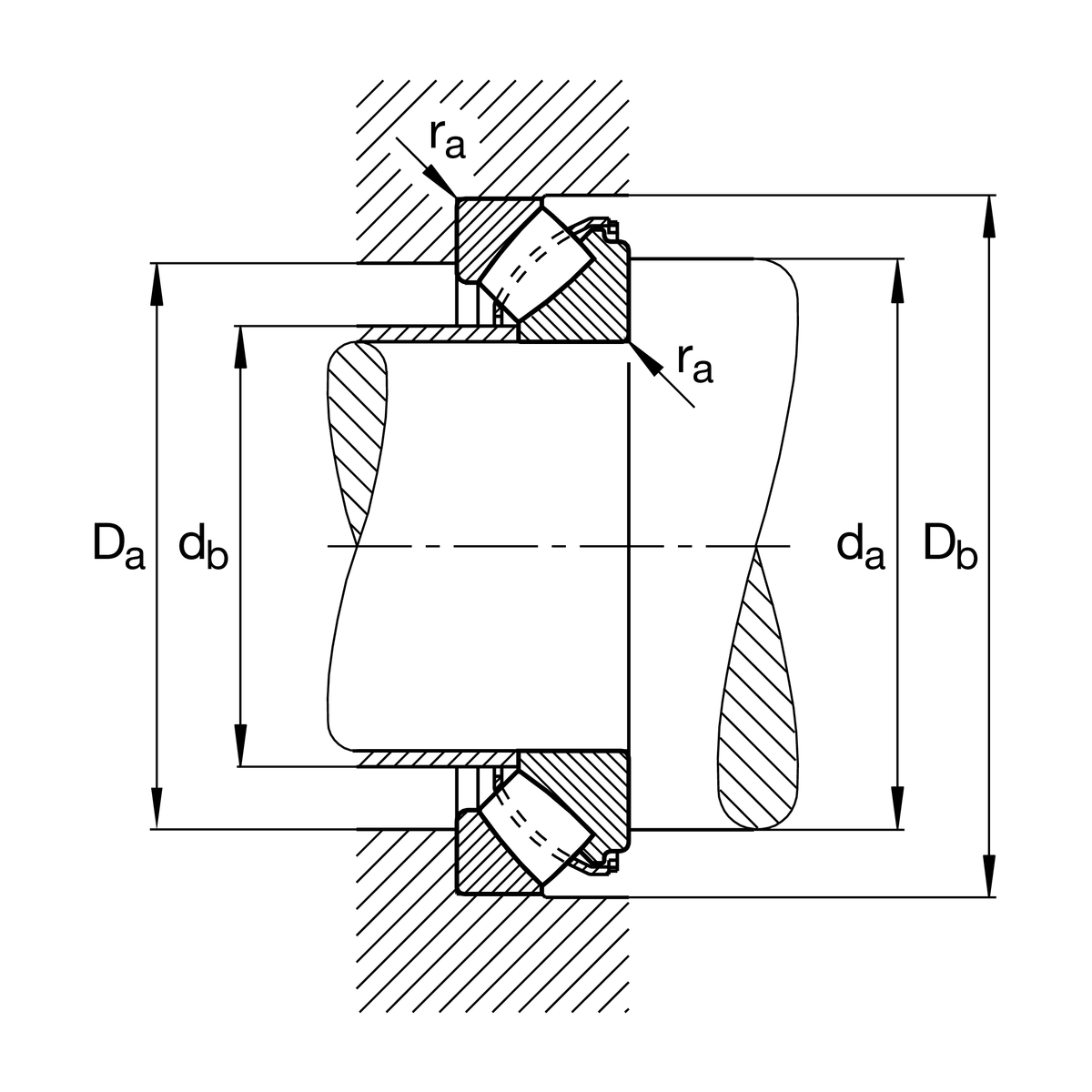
| da min | 445 mm | 軸肩最小直徑 |
| Da max | 507 mm | 殼肩最大直徑 |
| Db min | 590 mm | 外殼最小孔徑 |
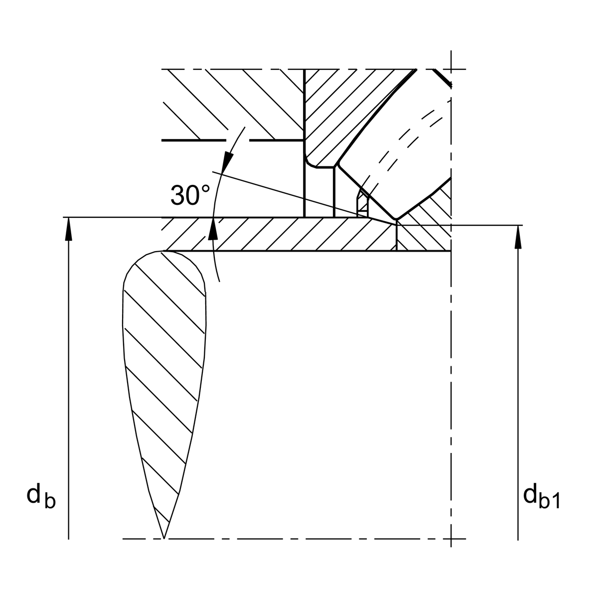
| db max | 367 mm | 套筒最大距離 |
| db1 max | 346 mm | Maximum champfer diameter of distance sleeve |
| ra max | 6 mm | 最大凹槽半徑 |
30 ° | Angle of champfer of the distance sleeve |
| D1 | 422 mm | 外殼墊圈孔徑 |
| d1 | 534.4 mm | 軸墊圈裂口直徑 |
| rmin | 7.5 mm | 最小倒角尺寸 |
| T1 | 74.5 mm | 外殼墊圈高度 |
| T3 | 102 mm | 軸墊圈高度 |
| T5 | 139.7 mm | 軸墊圈距離-保持架 |
| A | 191 mm | 中心點距離 |
| Tmin | -30 °C | 最低工作溫度 |
| Tmax | 200 °C | 最高操作溫度 |
| Cage | JP | 金屬板保持架 |
| Locating feature, shaft washer | 沒有 | |
| Handling thread holes | THI | Handling thread holes, shaft washer |
| Heat treatment | Standard | |
| Constricted width and inclination variation | Standard | |
| Test certificate | 沒有 |