PRODUCTS
- 首頁
- 產品介紹
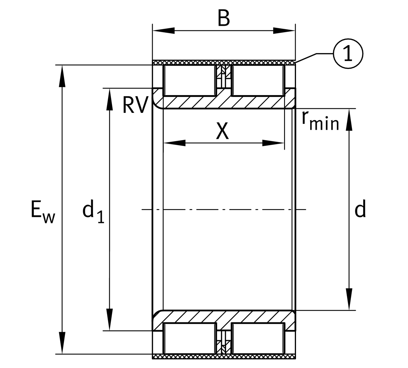
| d | 22 mm | 內圈擋邊直徑 |
| Ew | 38.75 mm | |
| B | 22.5 mm | 寬度 |
| Cr | 37,000 N | 基本額定動載荷,徑向 |
| C0r | 33,500 N | 基本額定靜態負荷,徑向 |
| Cur | 6,100 N | 疲勞負載極限,徑向 |
| nG | 10,700 1/min | 極限轉速 |
| nϑr | 5,300 1/min | 參考轉速 |
| ≈m | 0.09 kg | 重量 |
| da min | 30.5 mm | 軸肩最小直徑 |
| rmin | 0.6 mm | 最小倒角尺寸 |
| X | 17.2 mm | raceway width |
| Tmin | -30 °C | 最低工作溫度 |
| Tmax | 120 °C | 最高操作溫度 |
| Number of rolling element rows | 2 | 雙列設計 |