PRODUCTS


INA
RSL22x35,5x24,5-XL-RV-DP
Cylindrical roller bearing RSL22x35,5x24,5-XL-RV-DP
加入詢價
主要尺寸與性能資料
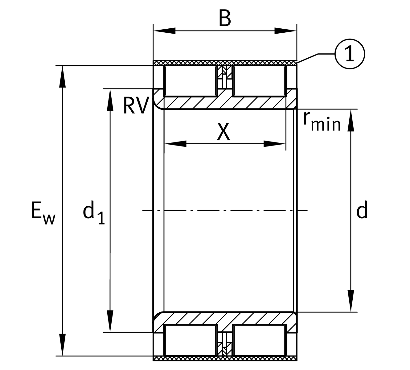
d
22 mm
內圈擋邊直徑
Ew
35.5 mm
B
24.5 mm
寬度
Cr
40,500 N
基本額定動載荷,徑向
C0r
41,000 N
基本額定靜態負荷,徑向
Cur
6,800 N
疲勞負載極限,徑向
nG
11,500 1/min
極限轉速
nϑr
5,700 1/min
參考轉速
≈m
0.08 kg
重量

安裝尺寸
da min
29 mm
軸肩最小直徑

尺寸
rmin
0.3 mm
最小倒角尺寸
X
19 mm
raceway width

溫度範圍
Tmin
-30 °C
最低工作溫度
Tmax
120 °C
最高操作溫度

您目前的產品型號
Number of rolling element rows2雙列設計
加入詢價