PRODUCTS
- 首頁
- 產品介紹
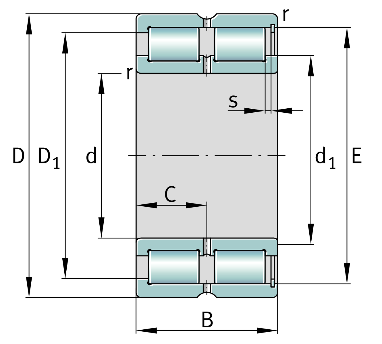
| d | 20 mm | 內徑 |
| D | 42 mm | 外徑 |
| B | 30 mm | 寬度 |
| Cr | 53,000 N | 基本額定動載荷,徑向 |
| C0r | 52,000 N | 基本額定靜態負荷,徑向 |
| Cur | 9,100 N | 疲勞負載極限,徑向 |
| nG | 11,400 1/min | 極限轉速 |
| nϑr | 7,400 1/min | 參考轉速 |
| ≈m | 0.2 kg | 重量 |
| dc min | 28 mm | 最小軸肩 |
| da min | 28.4 mm | 軸肩最小直徑 |
| Da max | 33.5 mm | 殼肩最大直徑 |
| ra max | 0.6 mm | 最大凹槽半徑 |
| De min | 33.3 mm | 外殼肩部最小直徑 |
| rmin | 0.6 mm | 最小倒角尺寸 |
| r1 min | 1.1 mm | 最小倒角尺寸 |
| s | 1 mm | 軸向位移 |
| C | 15 mm | 至潤滑孔距離 |
| d1 | 28.4 mm | 內圈最大擋邊直徑 |
| D1 min | 33.3 mm | 外圈最小擋邊直徑 |
| E | 36.8 mm | 外圈滾道直徑 |
| Tmin | -30 °C | 最低工作溫度 |
| Tmax | 120 °C | 最高操作溫度 |
| Design | A | 內部優化設計A |
| Radial internal clearance | CN (Group N) | 正常內部間隙 |
| Tolerance class | PN | 正常(PN) |
| Number of rolling element rows | 2 | 雙列設計 |