PRODUCTS


INA
RSL20x32,17x23-XL-RV-DP
Cylindrical roller bearing RSL20x32,17x23-XL-RV-DP
加入詢價
主要尺寸與性能資料
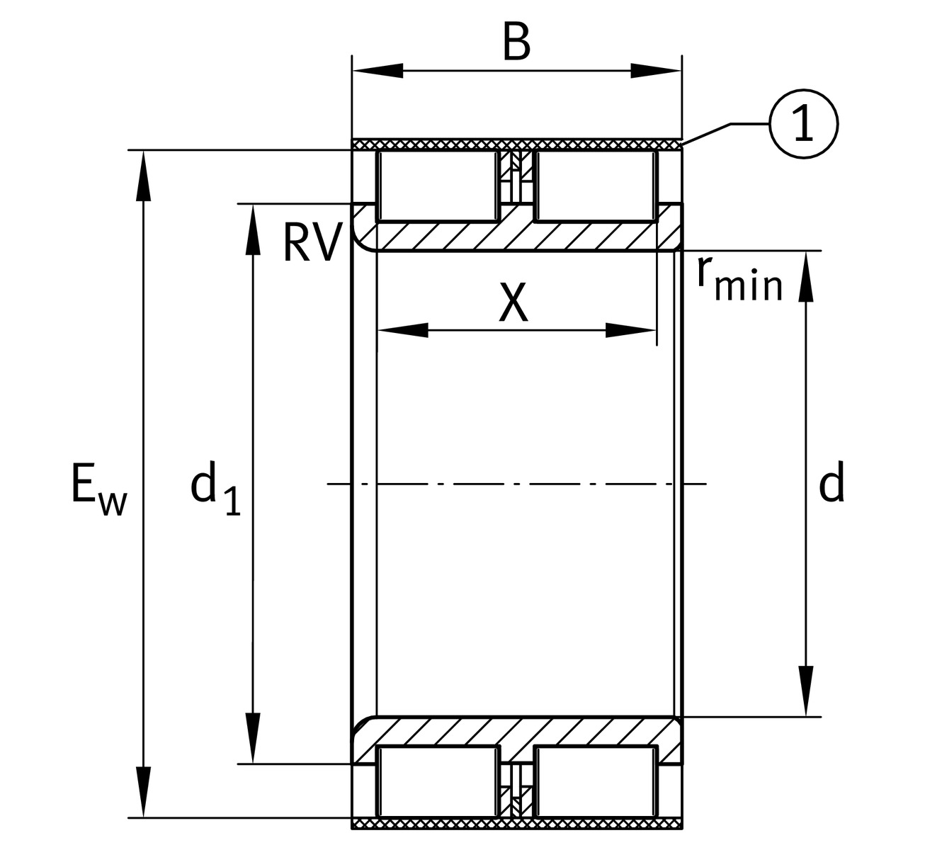
d
20 mm
內圈擋邊直徑
Ew
32.17 mm
B
23 mm
寬度
Cr
30,500 N
基本額定動載荷,徑向
C0r
32,500 N
基本額定靜態負荷,徑向
Cur
5,600 N
疲勞負載極限,徑向
nG
12,500 1/min
極限轉速
nϑr
6,200 1/min
參考轉速
≈m
0.06 kg
重量

安裝尺寸
da min
27.5 mm
軸肩最小直徑

尺寸
rmin
0.3 mm
最小倒角尺寸
X
17.2 mm
raceway width

溫度範圍
Tmin
-30 °C
最低工作溫度
Tmax
120 °C
最高操作溫度

您目前的產品型號
Number of rolling element rows2雙列設計
加入詢價