PRODUCTS
- 首頁
- 產品介紹
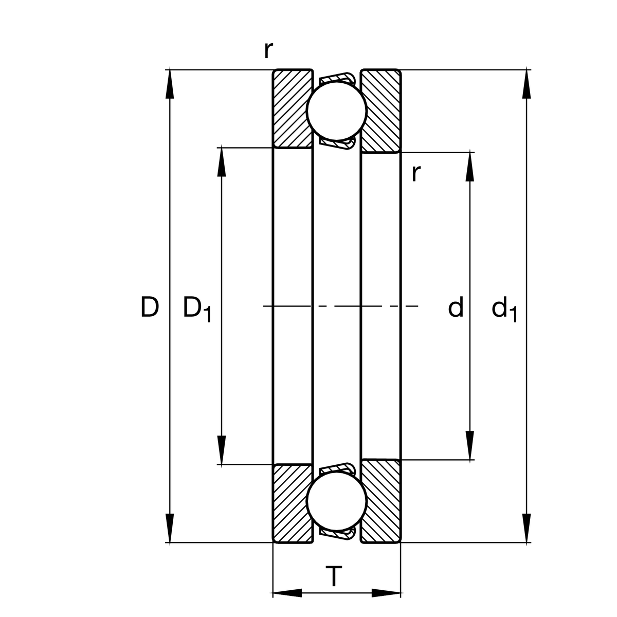
| d | 320 mm | 內徑 shaft washer |
| D | 500 mm | 外徑 軸承座 washer |
| T | 140 mm | 高度 |
| Ca | 990,000 N | 基本額定動載荷,軸向 |
| C0a | 4,950,000 N | 基本額定靜態載荷,軸向 |
| Cua | 111,000 N | 疲勞負荷極限,軸向 |
| nG | 700 1/min | 極限轉速 |
| nϑr | 960 1/min | 參考轉速 |
| ≈m | 102 kg | 重量 |
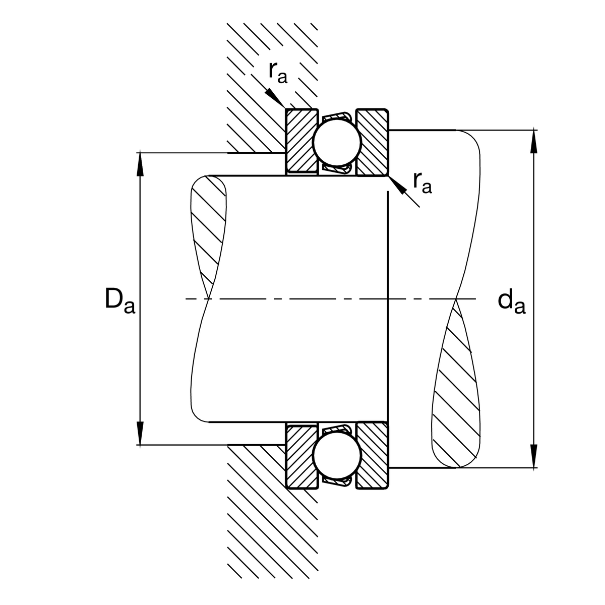
| da min | 428 mm | 軸肩最小直徑 |
| Da max | 392 mm | 殼肩最大直徑 |
| ra max | 4 mm | Maximum filled radius |
| rmin | 5 mm | 最小倒角尺寸 |
| D1 | 325 mm | 內徑 軸承座 washer |
| d1 | 495 mm | 外徑 shaft washer |
| Tmin | -30 °C | 最低工作溫度 |
| Tmax | 200 °C | 最高操作溫度 |
| A | 122 | Minimum load factor |
| Cage | MP | 黃銅實體保持架,滾動體引導 |
| Tolerance class | PN | 正常(PN) |