PRODUCTS
- 首頁
- 產品介紹
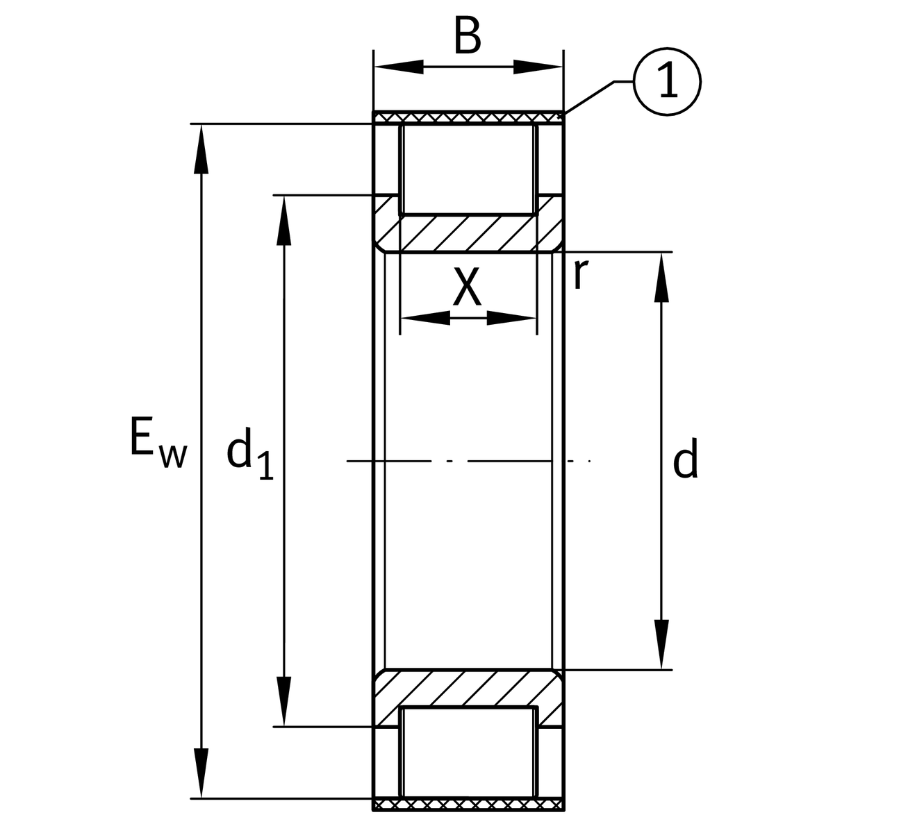
| d | 50 mm | 內徑 |
| Ew | 72.33 mm | Outer envelope circle |
| B | 23 mm | 寬度 |
| Cr | 88,000 N | 基本額定動載荷,徑向 |
| C0r | 94,000 N | 基本額定靜態負荷,徑向 |
| Cur | 15,300 N | 疲勞負載極限,徑向 |
| nG | 5,300 1/min | 極限轉速 |
| ≈m | 260 g | 重量 |
| da min | 59.1 mm | 軸肩最小直徑 |
| X | 14 mm | raceway width |
| rmin | 1 mm | 最小倒角尺寸 |
| d1 | 59.1 mm | 內圈最大擋邊直徑 |
| TK | 63.33 mm | pitch circle |
| Tmin | -30 °C | 最低工作溫度 |
| Tmax | 120 °C | 最高操作溫度 |
| Number of rolling element rows | 1 | 單列設計 |