PRODUCTS
- 首頁
- 產品介紹
| h | 34 mm | 高度 |
| b | 86 mm | 寬度 |
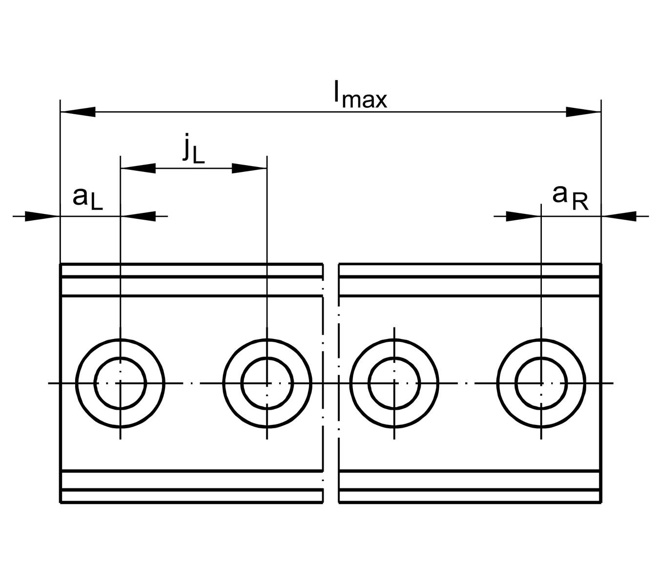
| lmax | 6,000 mm | Length maximum 1 |
| ly | 613,720 mm⁴ | Second moment of area |
| lz | 155,160 mm⁴ | Second moment of area |
| LFQ | 1,185 mm² | Cross-sectional area 2 |
| Wy | 16,587 mm³ | Wider resistance torque |
| Wz | 8,866 mm³ | Wider resistance torque |
| N1 | 13 mm | 內徑 3 |
| N3 | 21 mm | 內徑 4 |
| a2 | 76 mm | Distance |
| aL max | 110 mm | Distance 5 |
| aL min | 17 mm | Distance 5 |
| aR max | 110 mm | Distance 5 |
| aR min | 17 mm | Distance 5 |
| b1 | 71 mm | 寬度 |
| dLW | 10 mm | Diameter |
| eZ | 17.5 mm | Distance |
| h1 | 21 mm | Height 6, 7 |
| h4 | 25.1 mm | 高度 |
| jL | 125 mm | Increment 8 |
| Size code | 86 | |
| Design | C | hollow section profile |
| Locationg guideway | E | fixing hole spacing half of standard |