PRODUCTS
- 首頁
- 產品介紹
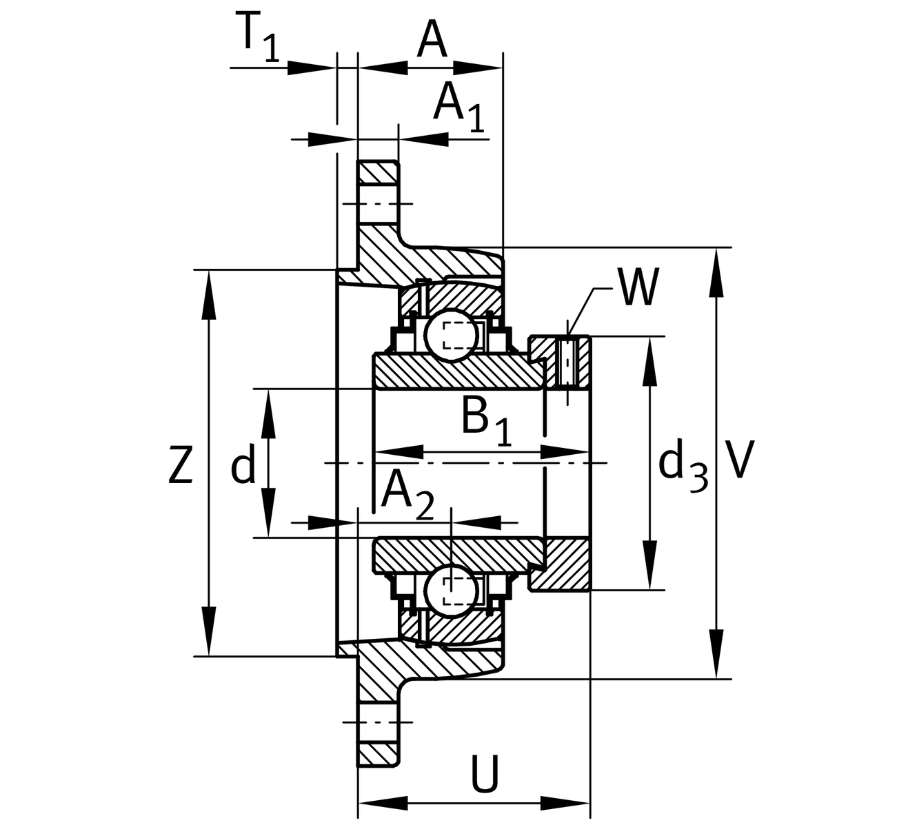
| d | 50 mm | 內徑 |
| L | 116 mm | 法蘭寬度 |
| H | 190 mm | Height flange |
| U | 62.2 mm | 總高度單位 |
| Cr | 35,000 N | 基本額定動載荷,徑向 |
| C0r | 23,200 N | 基本額定靜態負荷,徑向 |
| Cur | 990 N | 疲勞負載極限,徑向 |
| ≈m | 2.304 kg | 重量 |
| J | 157 mm | 固定內孔距離 |
| N | 14 mm | 固定內徑 |
| T1 | 4 mm | Height spigot |
| Z | 105 mm | Diameter spigot |
h8 | Diameter spigot clearance | |
| n | 2 | 螺絲孔數 |
| A | 35 mm | 外殼高度 |
| A1 | 13 mm | 厚度 of flange |
| A2 | 24 mm | 滾道距離 |
| V | 116 mm | Shoulder diameter 軸承座 |
| Q | M6 | 用於潤滑的連接螺紋 |
| d3 | 69 mm | 外徑 eccentric locking collar |
1 | 外殼數量 | |
CJTZ10 | 軸承座 | |
GE50-XL-KRR-B | 軸承型號 |
| Tmin | -20 °C | 最低工作溫度 |
| Tmax | 100 °C | 最高操作溫度 |
| Material | GG | 灰鑄鐵 |