PRODUCTS
- 首頁
- 產品介紹
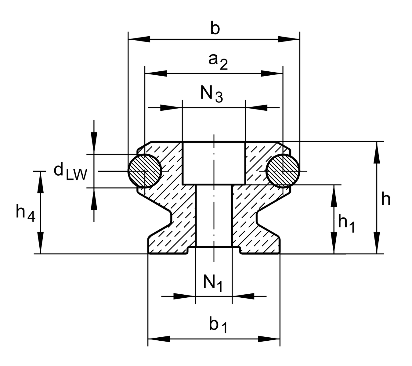
| h | 34 mm | 高度 |
| b | 52 mm | 寬度 |
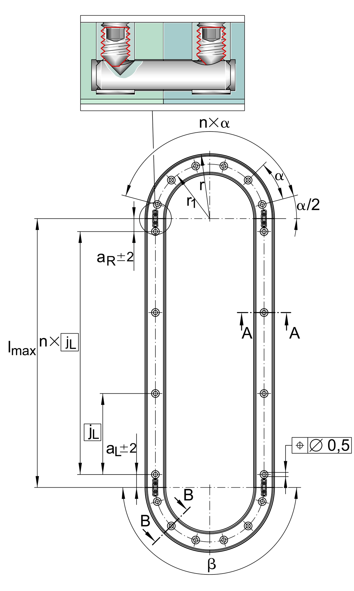
| lmax | 6,000 mm | Length maximum 1 |
| r | 300 mm | Radius |
| β | 180 ° | Radian measure |
| N1 | 11 mm | 內徑 2 |
| N3 | 19 mm | 內徑 3 |
| a2 | 42 mm | Distance |
| aL max | 235 mm | Distance 4 |
| aL min | 41 mm | Distance 4 |
| aR max | 235 mm | Distance 4 |
| aR min | 41 mm | Distance 4 |
| b1 | 40 mm | 寬度 |
| dLW | 10 mm | Diameter |
| h1 | 21 mm | Height 5, 6 |
| h4 | 25 mm | 高度 |
| r1 | 274 mm | Radius |
| x | 8 | Number 7 |
| α | 22.5 ° | Angle |
| Size code | 52 | |
| Guideway design | OV | solid profile, curved guideway |
| Dummy | 300 | |
| Special features | VBS | Rail connector |