PRODUCTS
- 首頁
- 產品介紹
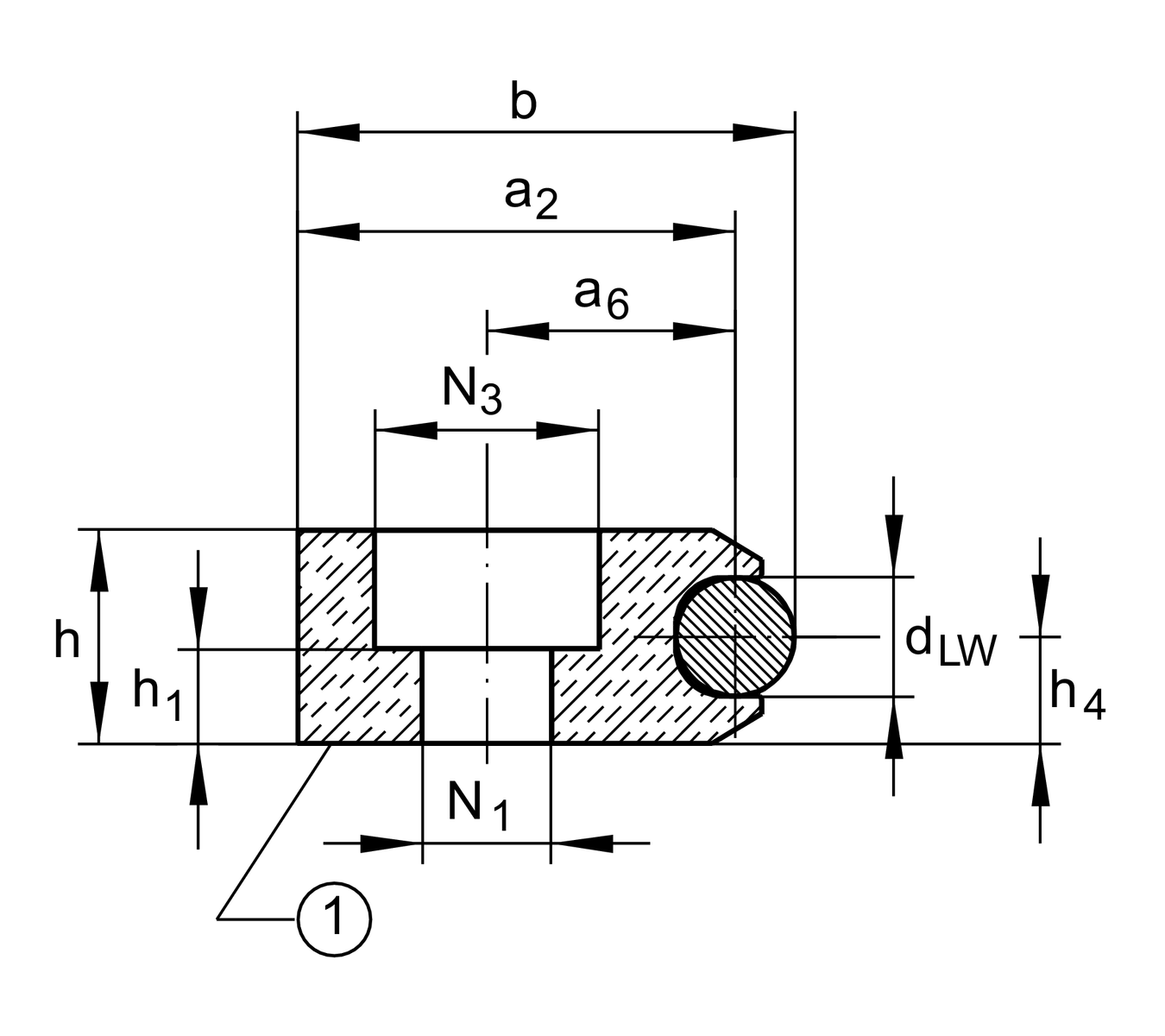
| h | 18 mm | 高度 |
| b | 42 mm | 寬度 |
| lmax | 6,000 mm | Length maximum 1 |
| ly | 66,642 mm⁴ | Second moment of area |
| lz | 17,798 mm⁴ | Second moment of area |
| LFQ | 629 mm² | Cross-sectional area 2 |
| Wy | 3,765 mm³ | Wider resistance torque |
| Wz | 1,977 mm³ | Wider resistance torque |
| N1 | 11 mm | 內徑 3 |
| N3 | 19 mm | 內徑 4 |
| a2 | 37 mm | Distance |
| aL max | 110 mm | Distance 5 |
| aL min | 17 mm | Distance 5 |
| aR max | 110 mm | Distance 5 |
| aR min | 17 mm | Distance 5 |
| dLW | 10 mm | Diameter |
| eZ | 9 mm | Distance |
| h1 | 8 mm | Height 6, 7 |
| h4 | 9 mm | 高度 |
| jL | 125 mm | Increment 8 |
| Size code | 52 | |
| Design | FH | flat solid profile, half guideway |
| Locationg guideway | E | fixing hole spacing half of standard |