PRODUCTS
- 首頁
- 產品介紹
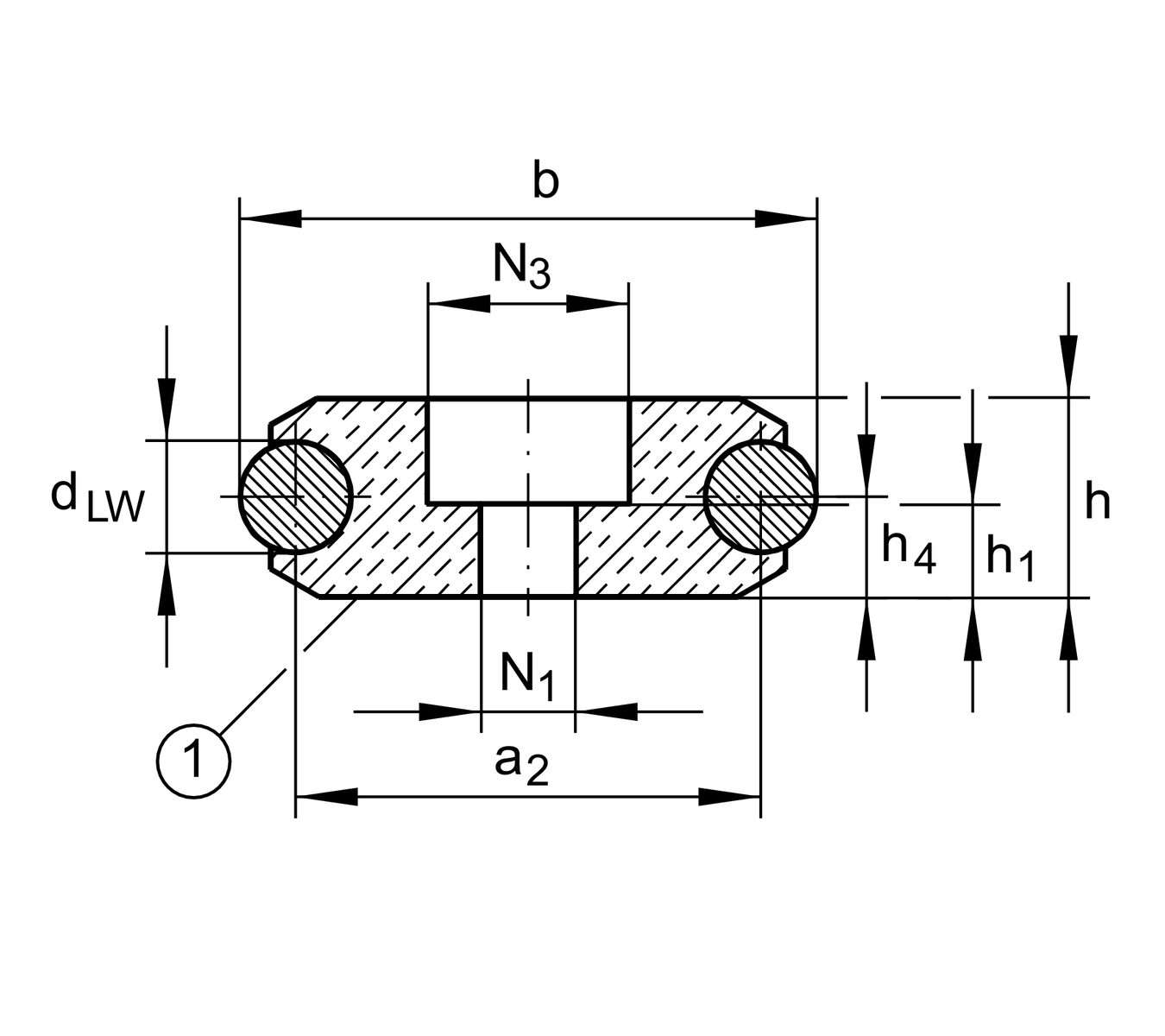
| h | 15 mm | 高度 |
| b | 42 mm | 寬度 |
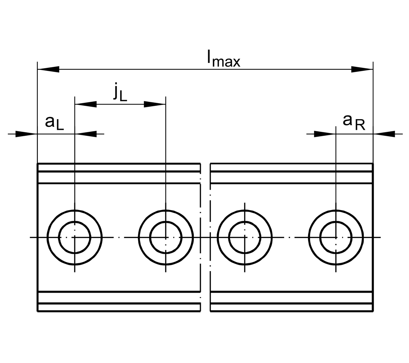
| lmax | 4,000 mm | Length maximum 1 |
| ly | 29,280 mm⁴ | Second moment of area |
| lz | 16,200 mm⁴ | Second moment of area |
| LFQ | 370 mm² | Cross-sectional area 2 |
| Wy | 1,864 mm³ | Wider resistance torque |
| Wz | 2,160 mm³ | Wider resistance torque |
| N1 | 9 mm | 內徑 3 |
| N3 | 15 mm | 內徑 4 |
| a2 | 32 mm | Distance |
| aL max | 51 mm | Distance 5 |
| aL min | 17 mm | Distance 5 |
| aR max | 51 mm | Distance 5 |
| aR min | 17 mm | Distance 5 |
| dLW | 10 mm | Diameter |
| eZ | 7.5 mm | Distance |
| h1 | 8 mm | Height 6, 7 |
| h4 | 7.5 mm | 高度 |
| jL | 125 mm | Increment 8 |
| Size code | 42 | |
| Design | F | flat solid profile |