PRODUCTS
- 首頁
- 產品介紹
| h | 20 mm | 高度 |
| b | 42 mm | 寬度 |
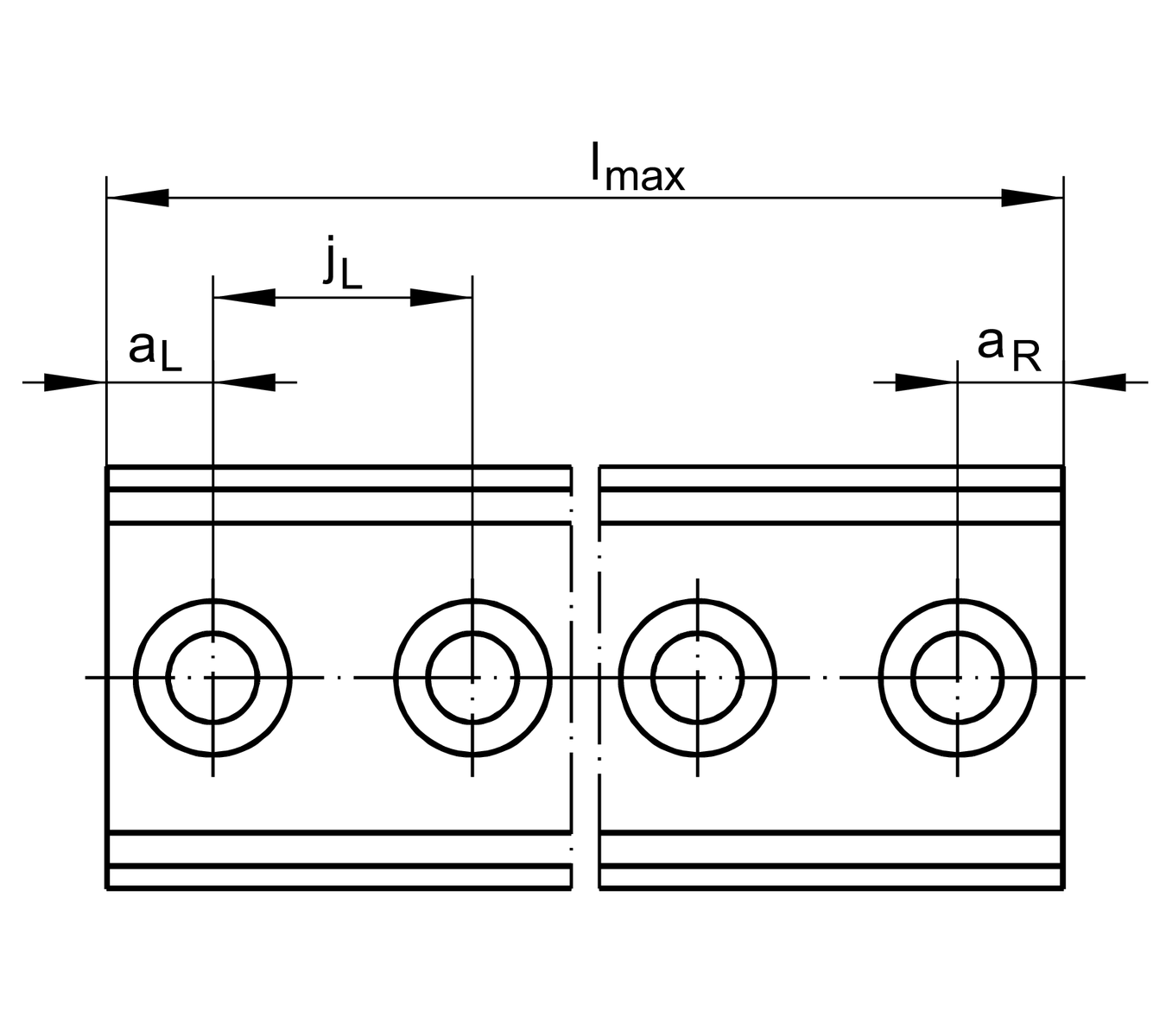
| lmax | 6,000 mm | Length maximum 1 |
| ly | 33,929 mm⁴ | Second moment of area |
| lz | 14,052 mm⁴ | Second moment of area |
| LFQ | 358 mm² | Cross-sectional area 2 |
| Wy | 1,858 mm³ | Wider resistance torque |
| Wz | 1,391 mm³ | Wider resistance torque |
| N1 | 9 mm | 內徑 3 |
| N3 | 15 mm | 內徑 4 |
| a2 | 32 mm | Distance |
| aL max | 113 mm | Distance 5 |
| aL min | 20 mm | Distance 5 |
| aR max | 113 mm | Distance 5 |
| aR min | 20 mm | Distance 5 |
| b1 | 28 mm | 寬度 |
| dLW | 10 mm | Diameter |
| eZ | 10.1 mm | Distance |
| h1 | 12 mm | Height 6, 7 |
| h4 | 12.6 mm | 高度 |
| jL | 125 mm | Increment 8 |
| Size code | 42 | |
| Design | C | hollow section profile |