PRODUCTS


FAG
NUP2310-E-XL-TVP2
Cylindrical roller bearing NUP2310-E-XL-TVP2
加入詢價
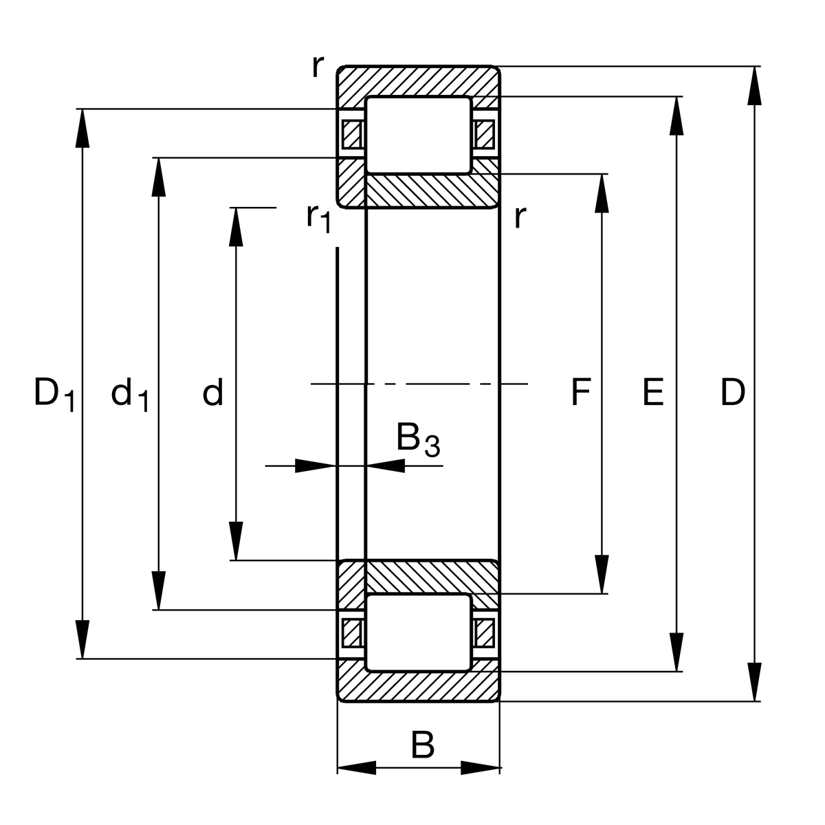
主要尺寸與性能資料
d
50 mm
內徑
D
110 mm
外徑
B
40 mm
寬度
Cr
193,000 N
基本額定動載荷,徑向
C0r
187,000 N
基本額定靜態負荷,徑向
Cur
35,500 N
疲勞負載極限,徑向
nG
8,900 1/min
極限轉速
nϑr
4,900 1/min
參考轉速
≈m
1.79 kg
重量

安裝尺寸
d1
71.3 mm
內圈最大擋邊直徑
D1 min
92.5 mm
外圈最小擋邊直徑
da min
61 mm
軸肩最小直徑
dc min
73 mm
最小軸肩
Da max
99 mm
殼肩最大直徑
ra max
2 mm
最大凹槽半徑

尺寸
rmin
2 mm
最小倒角尺寸
r1 min
2 mm
最小倒角尺寸
E
97 mm
外圈滾道直徑
F
65 mm
內圈滾道直徑
B3
6.5 mm
鬆配肋寬度

溫度範圍
Tmin
-30 °C
最低工作溫度
Tmax
120 °C
最高操作溫度

您目前的產品型號
DesignE增加額定載荷設計
CageTVP2Solid Window Cage made from PA66
Radial internal clearanceCN (Group N)正常內部間隙
Tolerance classPN正常(PN)
Number of rolling element rows1單列設計
加入詢價