PRODUCTS
- 首頁
- 產品介紹
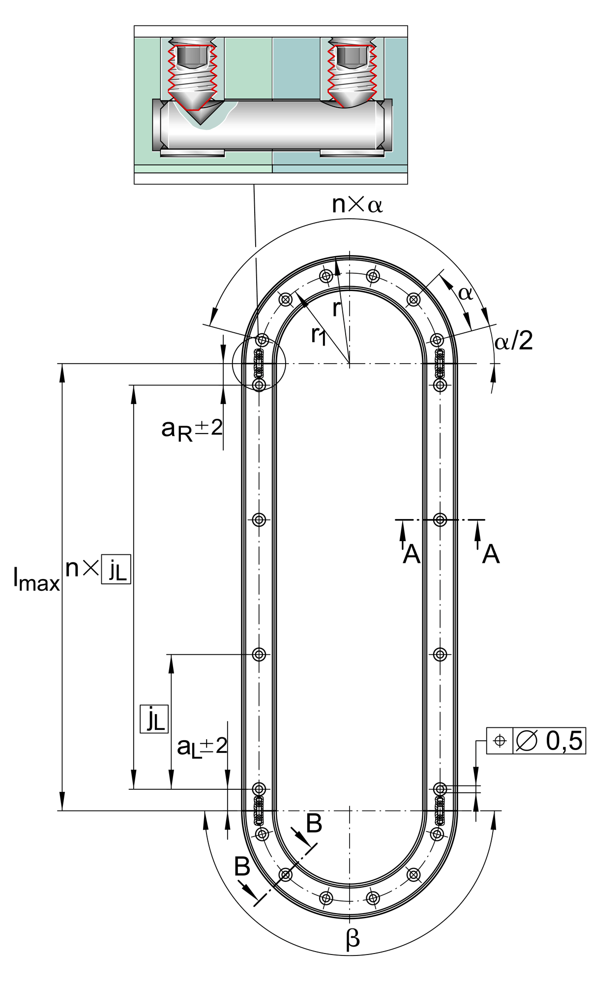
| h | 20 mm | 高度 |
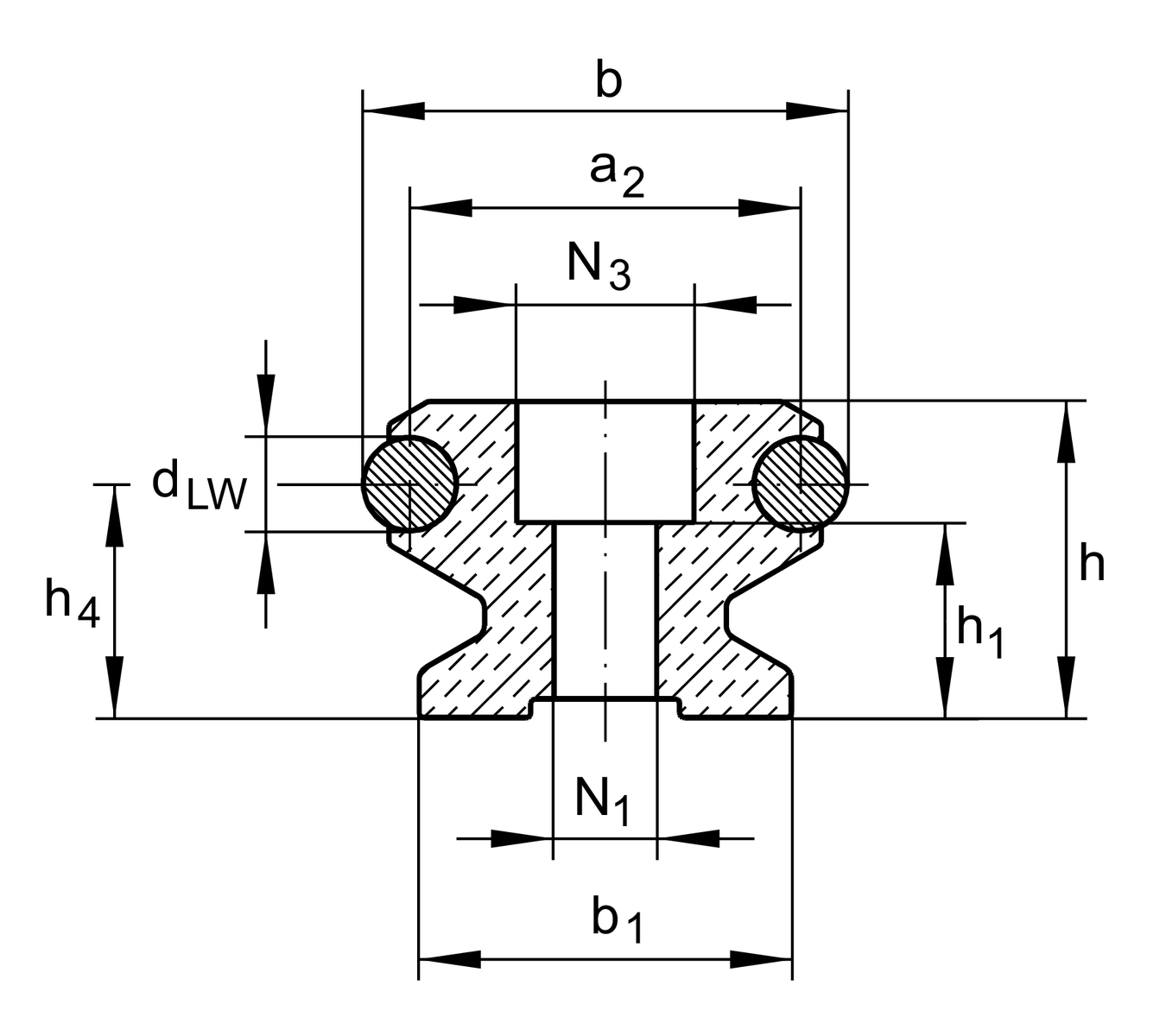
| b | 32 mm | 寬度 |
| lmax | 6,000 mm | Length maximum 1 |
| r | 500 mm | Radius |
| β | 180 ° | Radian measure |
| N1 | 6.5 mm | 內徑 2 |
| N3 | 12 mm | 內徑 3 |
| a2 | 26 mm | Distance |
| aL max | 116 mm | Distance 4 |
| aL min | 30 mm | Distance 4 |
| aR max | 116 mm | Distance 4 |
| aR min | 30 mm | Distance 4 |
| b1 | 24 mm | 寬度 |
| dLW | 6 mm | Diameter |
| h1 | 12 mm | Height 5, 6 |
| h4 | 15 mm | 高度 |
| jL | 125 mm | Increment 7 |
| r1 | 484 mm | Radius |
| x | 10 | Number 8 |
| α | 18 ° | Angle |
| Size code | 32 |