PRODUCTS
- 首頁
- 產品介紹
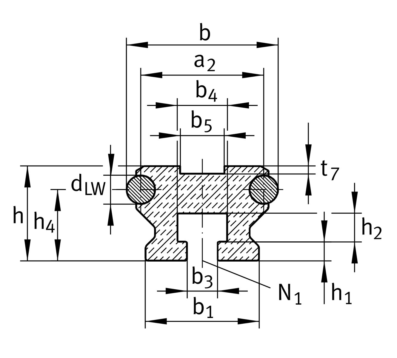
| h | 20 mm | 高度 |
| b | 32 mm | 寬度 |
| lmax | 4,000 mm | Length maximum 1 |
| ly | 19,600 mm⁴ | Second moment of area |
| lz | 12,600 mm⁴ | Second moment of area |
| LFQ | 360 mm² | Cross-sectional area 2 |
| Wy | 1,400 mm³ | Wider resistance torque |
| Wz | 1,135 mm³ | Wider resistance torque |
| N1 | 6 mm | 內徑 3 |
| a2 | 26 mm | Distance |
| b1 | 24 mm | 寬度 |
| b3 | 6.5 mm | Width 4 |
| b4 | 10.5 mm | 寬度 |
| b5 | 10.5 mm | 寬度 |
| dLW | 6 mm | Diameter |
| eZ | 11.1 mm | Distance |
| h1 | 4 mm | Height 5, 6 |
| h2 | 6 mm | 高度 |
| h4 | 15 mm | 高度 |
| jL | 125 mm | Increment 7 |
| t7 | 1.6 mm | 深度 |
| Size code | 32 | |
| Design | N | solid profile, with T-slot |