PRODUCTS
- 首頁
- 產品介紹
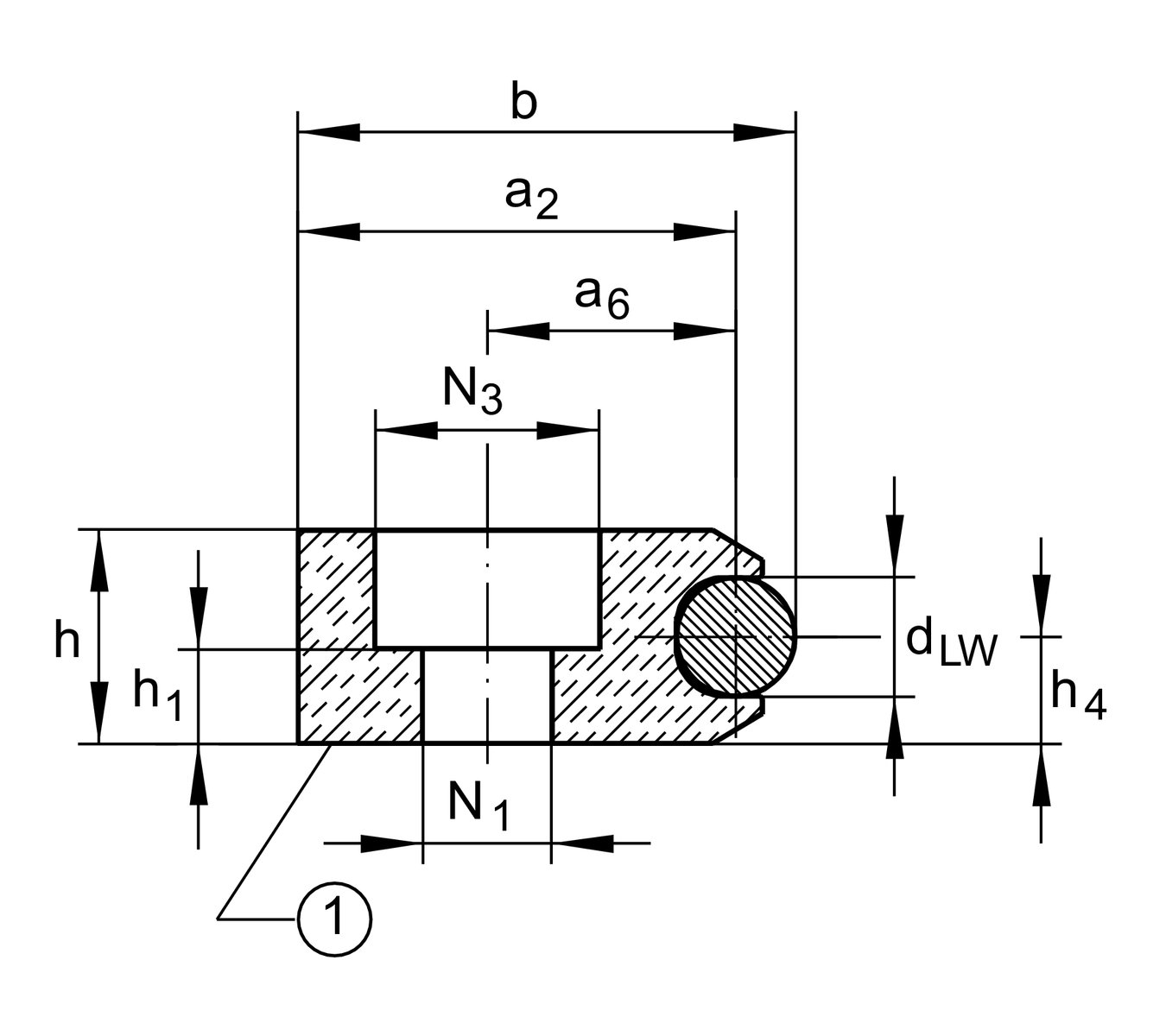
| h | 10 mm | 高度 |
| b | 26 mm | 寬度 |
| lmax | 4,000 mm | Length maximum 1 |
| ly | 8,681 mm⁴ | Second moment of area |
| lz | 1,897 mm⁴ | Second moment of area |
| LFQ | 216 mm² | Cross-sectional area 2 |
| Wy | 790 mm³ | Wider resistance torque |
| Wz | 379 mm³ | Wider resistance torque |
| N1 | 6.5 mm | 內徑 3 |
| N3 | 12 mm | 內徑 4 |
| a2 | 23 mm | Distance |
| aL max | 52 mm | Distance 5 |
| aL min | 11 mm | Distance 5 |
| aR max | 52 mm | Distance 5 |
| aR min | 11 mm | Distance 5 |
| dLW | 6 mm | Diameter |
| eZ | 5 mm | Distance |
| h1 | 3.5 mm | Height 6, 7 |
| h4 | 5 mm | 高度 |
| jL | 62.5 mm | Increment 8 |
| Size code | 32 | |
| Design | FH | flat solid profile, half guideway |
| Locationg guideway | E | fixing hole spacing half of standard |