PRODUCTS
- 首頁
- 產品介紹
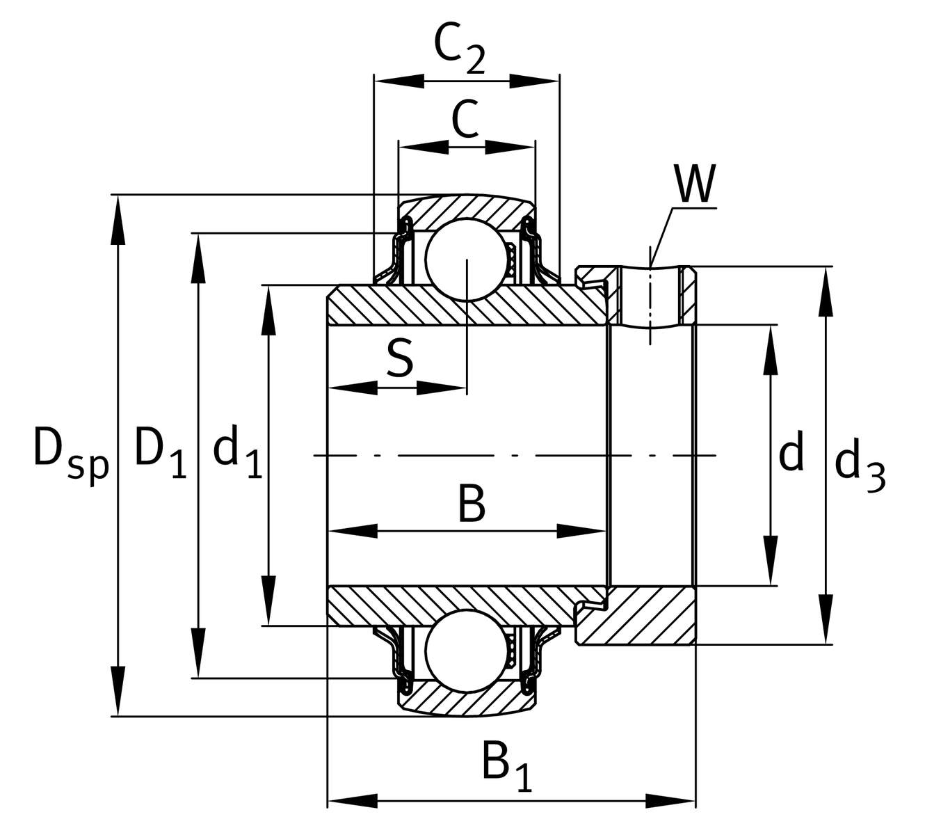
| d | 50 mm | 內徑 |
| DSP | 110 mm | 外徑 |
| B | 49.2 mm | 寬度 |
| Cur | 1,800 N | 疲勞負載極限,徑向 |
| B1 | 66.75 mm | 鎖環總寬度 |
| Cr | 62,000 N | 基本額定動載荷,徑向 |
| C0r | 38,000 N | 基本額定靜態負荷,徑向 |
| ≈m | 1.731 kg | 重量 |
| C | 29 mm | 外圈寬度 |
| S | 24.6 mm | 滾道距離 |
| d1 | 68.8 mm | 內圈擋邊直徑 |
| d3 | 75.8 mm | 鎖緊環/鎖緊螺帽外徑 |
| W | 5 mm | 平面寬度 |
| Tmin | -20 °C | 最低工作溫度 |
| Tmax | 100 °C | 最高操作溫度 |
| f0 | 13.1 | 計算參數 |
| Sealing | KRR | 兩側唇形密封 |
| Shape of outer surface | B | |
| Lubricant | L402/70 | L402/70 |