PRODUCTS
- 首頁
- 產品介紹
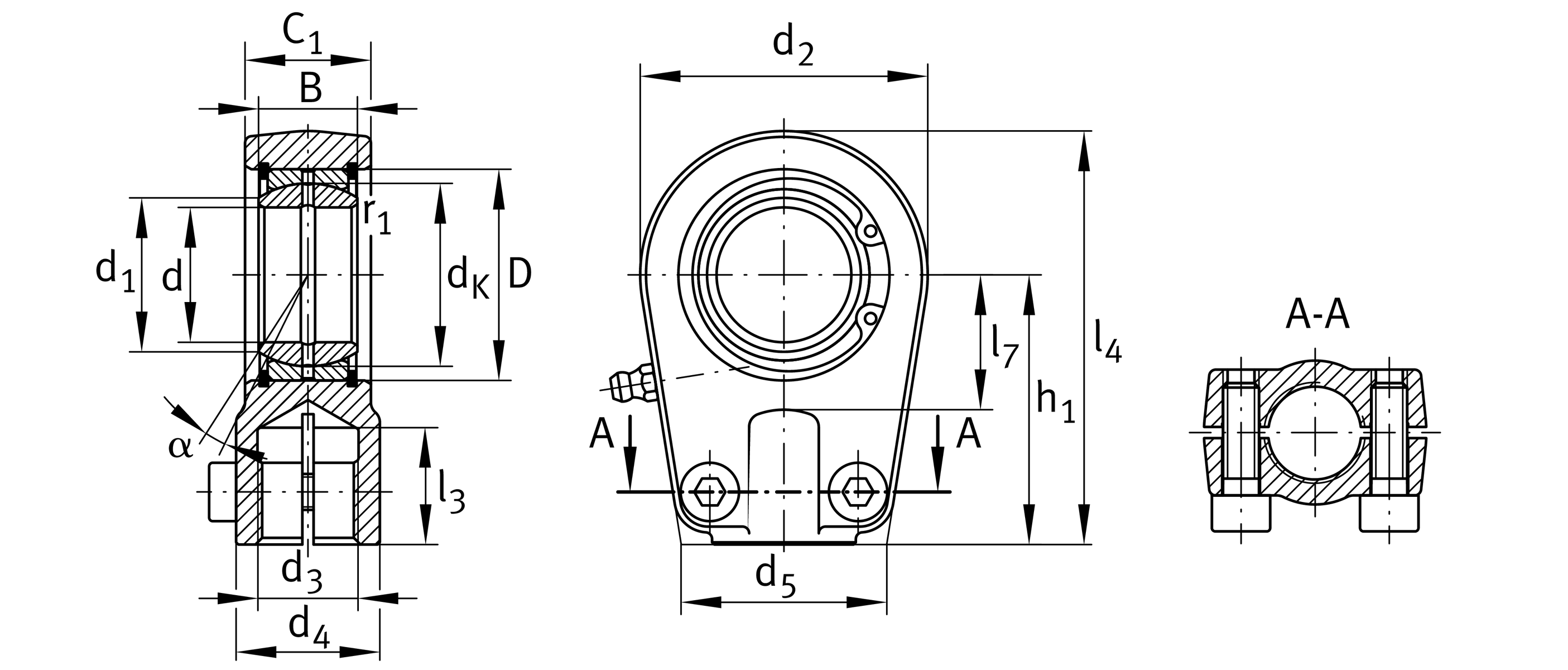
| Cr | 99,100 N | 基本額定動載荷,徑向 |
| C0r | 228,000 N | 基本額定靜態負荷,徑向 |
| d | 40 mm | 內徑 bearing |
| d2 | 94 mm | 外眼徑 |
| l4 | 132 mm | 內螺紋頭總長度 |
| D | 62 mm | 外徑 bearing |
| B | 28 mm | 內圈寬度 |
| ≈m | 2.007 kg | 重量 |
| α | 7 ° | 傾斜角度 |
| C1 | 35 mm | 桿端寬度 |
| dK | 53 mm | 球直徑 |
| d3 | M35x1,5 | 螺紋尺寸 |
| d4 | 49 mm | 柄徑 |
| d5 | 66 mm | 柄直徑,大 |
| d 7 | M10x35 | Diameter |
| h1 | 85 mm | 柄長 內螺紋頭 |
| l3 | 36 mm | 螺紋長度 內螺紋 |
| l7 | 45 mm | 軸心鑽孔起始距離 |
| dUT | -0.012 mm | 內徑 bearing, 較低的公差 |
| dOT | 0 mm | 內徑 bearing, 公差上限 |
| BUT | -0.12 mm | 內圈寬度, 較低的公差 |
| BOT | 0 mm | 內圈寬度, 公差上限 |
| MA | 64 Nm | Tightening torque |
| Gr | 0,043 - 0,12 | 徑向間隙 |
| Grmin | 0.043 mm | 徑向間隙,最小 |
| Grmax | 0.12 mm | 最大徑向間隙 |
| r1smin | 0.6 mm | 邊緣間距 |
| d1 | 45 mm | 外法蘭直徑 內圈 |
| Tmin | -60 °C | 最低工作溫度 |
| Tmax | 200 °C | 最高操作溫度 |
| Sealing | 沒有 |