PRODUCTS


INA
RSL182209-A-XL
Cylindrical roller bearing RSL182209-A-XL
加入詢價
主要尺寸與性能資料
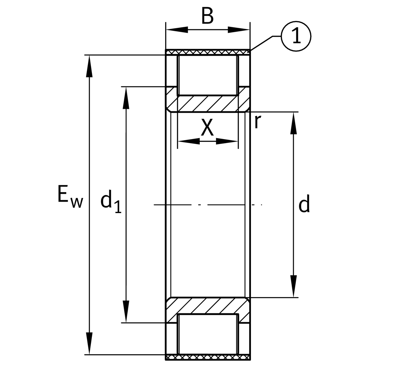
d
45 mm
內徑
Ew
74.43 mm
Outer envelope circle
B
23 mm
寬度
Cr
101,000 N
基本額定動載荷,徑向
C0r
98,000 N
基本額定靜態負荷,徑向
Cur
16,300 N
疲勞負載極限,徑向
nG
6,100 1/min
極限轉速
≈m
340 g
重量

安裝尺寸
da min
57.5 mm
軸肩最小直徑
X
15 mm
raceway width

尺寸
rmin
1.1 mm
最小倒角尺寸
d1
57.5 mm
內圈最大擋邊直徑
TK
63.43 mm
pitch circle

溫度範圍
Tmin
-30 °C
最低工作溫度
Tmax
120 °C
最高操作溫度

您目前的產品型號
Tolerance classPN正常(PN)
Number of rolling element rows1單列設計
加入詢價