PRODUCTS
- 首頁
- 產品介紹
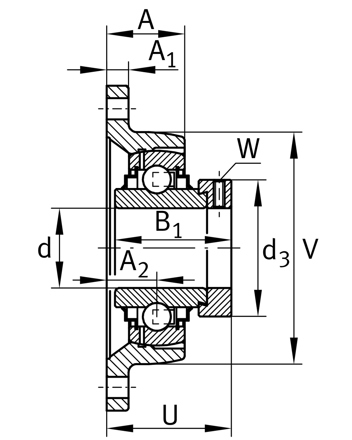
| d | 45 mm | 內徑 |
| L | 111 mm | 法蘭寬度 |
| H | 180 mm | Height flange |
| U | 59.1 mm | 總高度單位 |
| Cr | 34,500 N | 基本額定動載荷,徑向 |
| C0r | 20,400 N | 基本額定靜態負荷,徑向 |
| ≈m | 1.93 kg | 重量 |
| J | 148.5 mm | 固定內孔距離 |
| N | 14 mm | 固定內徑 |
| n | 2 | 螺絲孔數 |
| W | 5 mm | 平面寬度 |
| A | 35 mm | 外殼高度 |
| A1 | 13 mm | 厚度 of flange |
| A2 | 24 mm | 滾道距離 |
| B1 | 56.5 mm | 鎖環總寬度 |
| V | 111 mm | Shoulder diameter 軸承座 |
| Q | M6 | 用於潤滑的連接螺紋 |
| d3 | 63 mm | 外徑 locking collar |
1 | 外殼數量 | |
CJT09-FA125 | 軸承座 | |
GE45-XL-KRR-B-FA101 | 軸承型號 |
| Tmin | -40 °C | 最低工作溫度 |
| Tmax | 180 °C | 最高操作溫度 |
| Material | GG | 灰鑄鐵 |
| Manufacturing instruction | FA101 | High and low temperature design -40°C to +180°C |