PRODUCTS
- 首頁
- 產品介紹
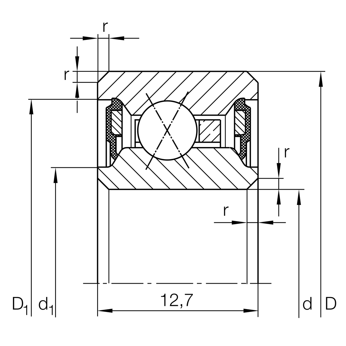
| d | 203.2 mm | 內徑 |
| D | 222.25 mm | 外徑 |
| B | 12.7 mm | 寬度 |
| Cr | 13,300 N | 基本額定動載荷,徑向 |
| C0r | 28,000 N | 基本額定靜態負荷,徑向 |
| nG | 1,290 1/min | 極限轉速 |
| ≈m | 480 g | 重量 |
| rmin | 0.38 mm | 最小倒角尺寸 |
| d1 | 210.2 mm | 內圈肩徑 |
| D1 | 215.2 mm | 外圈肩徑 |
| d1 | 207 mm | 量測內圈直徑 |
| D1 | 216.8 mm | 量測外圈直徑 |
| α | 30 ° | 接觸角 |
| Tmin | -25 °C | 最低工作溫度 |
| Tmax | 120 °C | 最高操作溫度 |
| Logistical code | HLE | - |
| Sealing | 2RS | 兩側接觸式密封 |
| Cage | YH | 板金黃銅保持架 |
| Tolerance class | PL1 | Class PL1, Normal |
| Lubricant | Lubricating grease | |
| Radial internal clearance | PL1 | Class PL1, Normal |