PRODUCTS
- 首頁
- 產品介紹
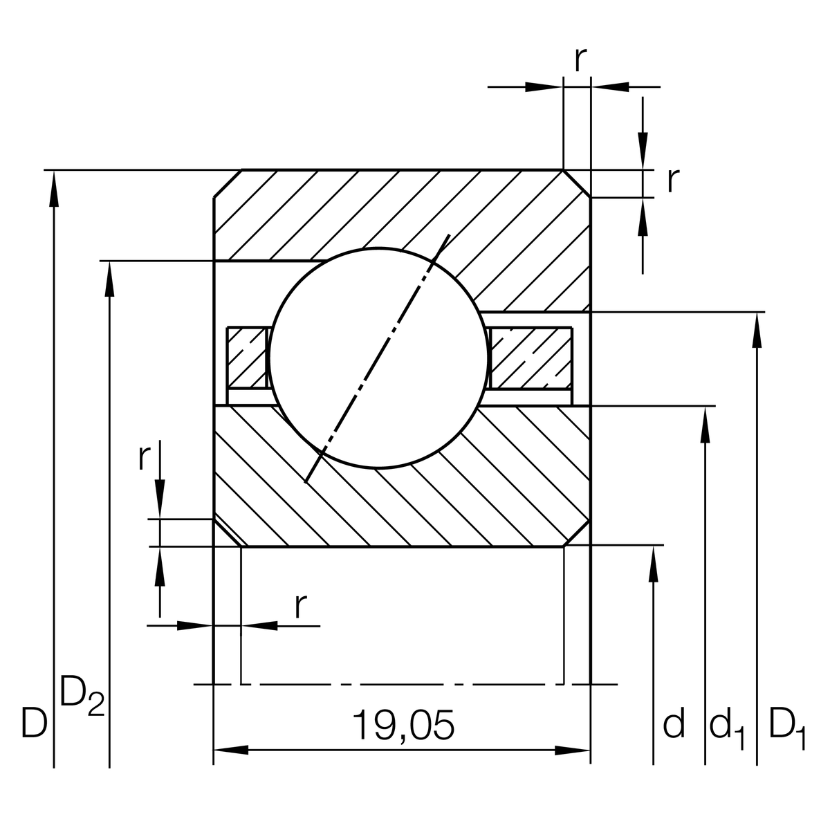
| d | 203.2 mm | 內徑 |
| D | 241.3 mm | 外徑 |
| B | 19.05 mm | 寬度 |
| Cr | 30,500 N | 基本額定動載荷,徑向 |
| C0r | 46,500 N | 基本額定靜態負荷,徑向 |
| nG | 2,450 1/min | 極限轉速 |
| ≈m | 1.64 kg | 重量 |
| rmin | 2 mm | 最小倒角尺寸 |
| d1 | 217.3 mm | 內圈肩徑 |
| D1 | 227.2 mm | 外圈寬側面台肩直徑 |
| D2 | 231.4 mm | Shoulder diameter on outer ring small side face |
| α | 30 ° | 接觸角 |
| Tmin | -30 °C | 最低工作溫度 |
| Tmax | 120 °C | 最高操作溫度 |
| Logistical code | HLE | - |
| Sealing | 沒有 | 未密封 |
| Cage | YP | 板金黃銅保持架 |
| Tolerance class | PL1 | Class PL1, Normal |
| Lubricant | 沒有 | 軸承未潤滑 |