INA
AMS40
Locknut socketadapter for precision locknuts AM AMS40
加入詢價
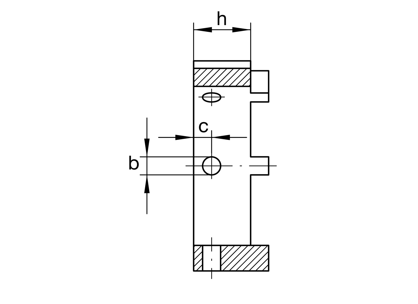
尺寸
| D | 65 mm | 外徑 |
| h | 16 mm | 高度 |
| d | 45 mm | 內徑 |
| B | 6 mm | Groove width |
| b | 6 mm | 內徑 through hole |
| H11 | 內徑 through hole fit |
| c | 6 mm | Distance bore |
| t | 2.5 mm | groove depth |
| ≈m | 216 g | 重量 |
加入詢價
Locknut socketadapter for precision locknuts AM AMS40
已將您選擇的品項
加入詢價清單
非常感謝您!
選擇更多商品
瀏覽詢價清單