PRODUCTS
- 首頁
- 產品介紹
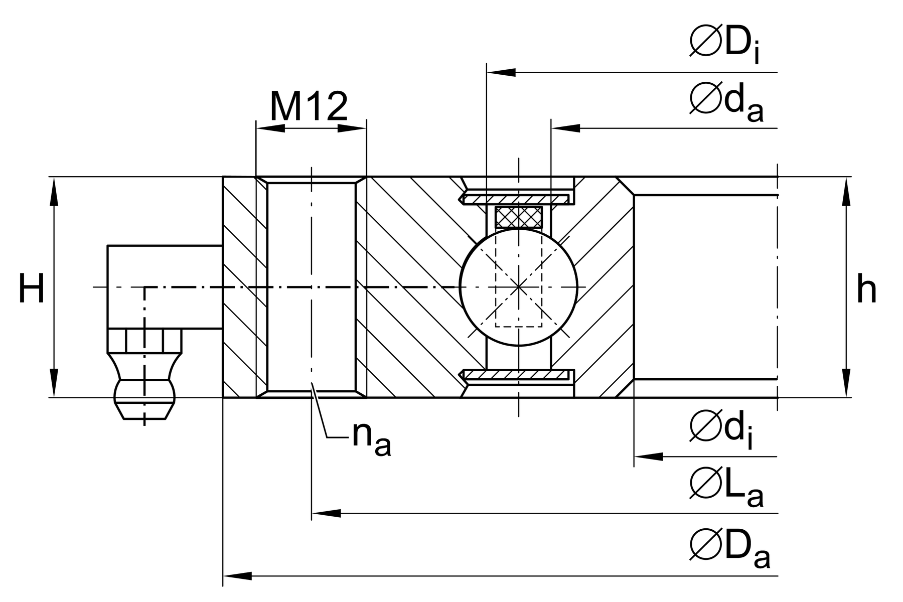
| di | 200 mm | 內徑 inner ring |
0 mm | 內徑 inner ring 較低的公差 | |
0.03 mm | 內徑 inner ring 公差上限 | |
| H | 24 mm | 高度 |
| Da | 290 mm | 外徑 |
| ha | 24 mm | Width outer ring |
| hi | 24 mm | 內圈寬度 |
0.02 mm | Normal 徑向間隙 min. | |
0.06 mm | Normal 徑向間隙 max. | |
0.05 mm | Normal axial clearance min. | |
0.16 mm | Normal axial clearance max. | |
| ≈m | 5.46 kg | 重量 |
| Di | 237.6 mm | 外圈內徑 |
| da | 213 mm | 內圈外徑 |
M12 | Tread 固定內徑 | |
| La | 270 mm | 外圈螺距圓固定孔直徑 |
| na | 6 | 外圈固定孔數 |
| Fr zul | 19,800 N | Max. radial load fixing screws (friction locking) |
| Tmin | -25 °C | 最低工作溫度 |
| Tmax | 80 °C | 最高操作溫度 |
| Ca | 48,000 N | 基本額定動載荷,軸向 |
| C0a | 203,000 N | 基本額定靜態載荷,軸向 |
| Cr | 43,500 N | 基本額定動載荷,徑向(僅適用於徑向載荷) |
| C0r | 93,000 N | 基本額定靜態負荷,徑向(僅適用於徑向負荷) |