PRODUCTS
- 首頁
- 產品介紹
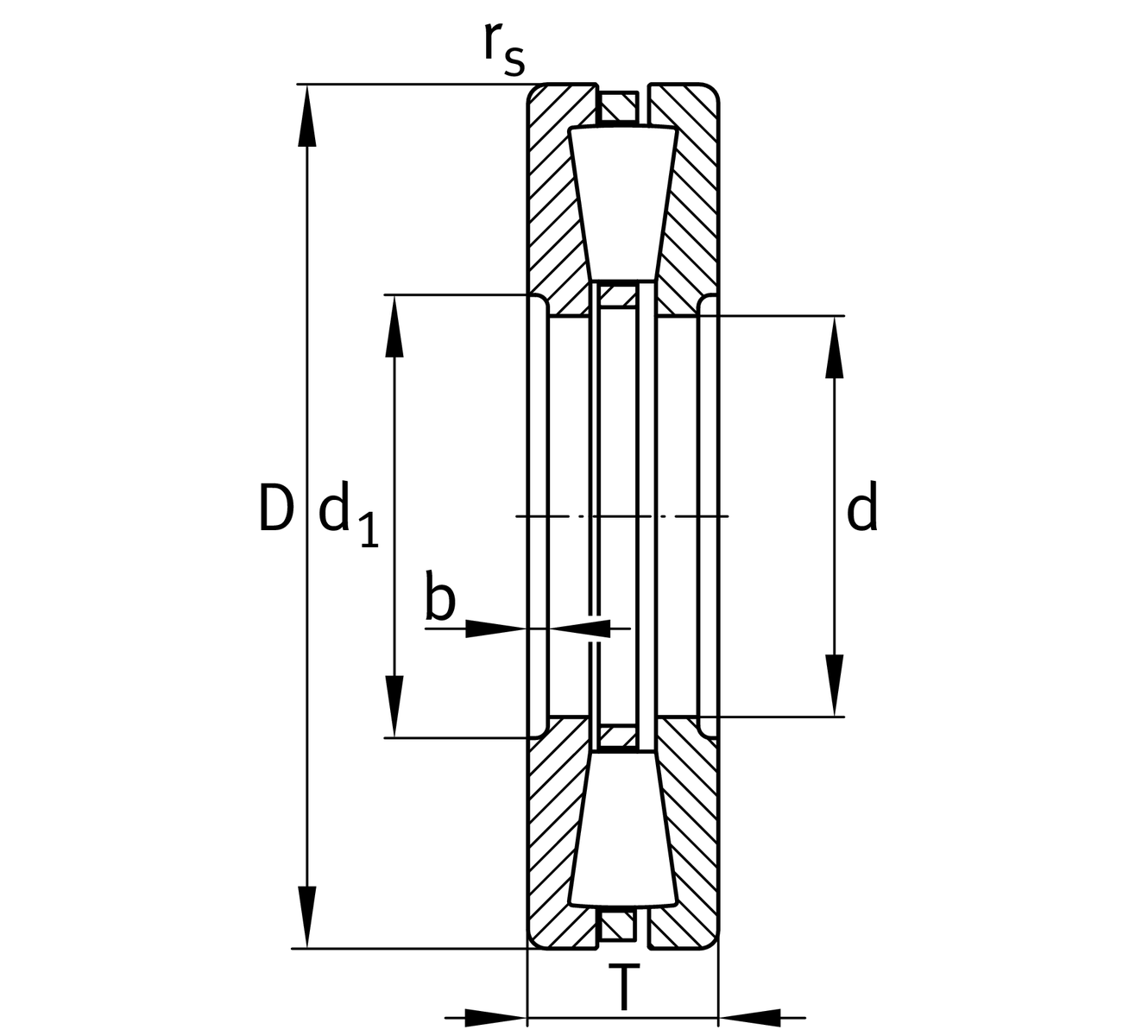
| d | 234.95 mm | 內徑 |
| D | 546.1 mm | 外徑 |
| T | 127 mm | 高度 |
| Ca* | 9,000,000 N | 基本額定動載荷,軸向 according to ABEC/RBEC 8-1170 |
| C0a | 26,000,000 N | 基本額定靜態載荷,軸向 |
| Cua | 1,920,000 N | 疲勞負荷極限,軸向 |
| nG | 400 1/min | 極限轉速 |
| ≈m | 156 kg | 重量 |
| rs min | 16 mm | 最小倒角尺寸 at 外徑 |
| d1 | 266.7 mm | Diameter of step |
| b | 15.875 mm | Width of step |
| Tmin | -30 °C | 最低工作溫度 |
| Tmax | 120 °C | 最高操作溫度 |
| Heat treatment | Case hardened | Case hardened |
| Cage | F | Cage of steel |
| Design | 2 | With step in the bore |