中軸事業
關於我們
最新消息
技術專欄
產品介紹
型號搜尋
聯絡我們
繁體中文
English
Tiếng Việt
繁體中文
English
Tiếng Việt
PRODUCTS
首頁
產品介紹
FAG
INA
Schaeffler
INA
HB3023
Flat cage HB3023
加入詢價
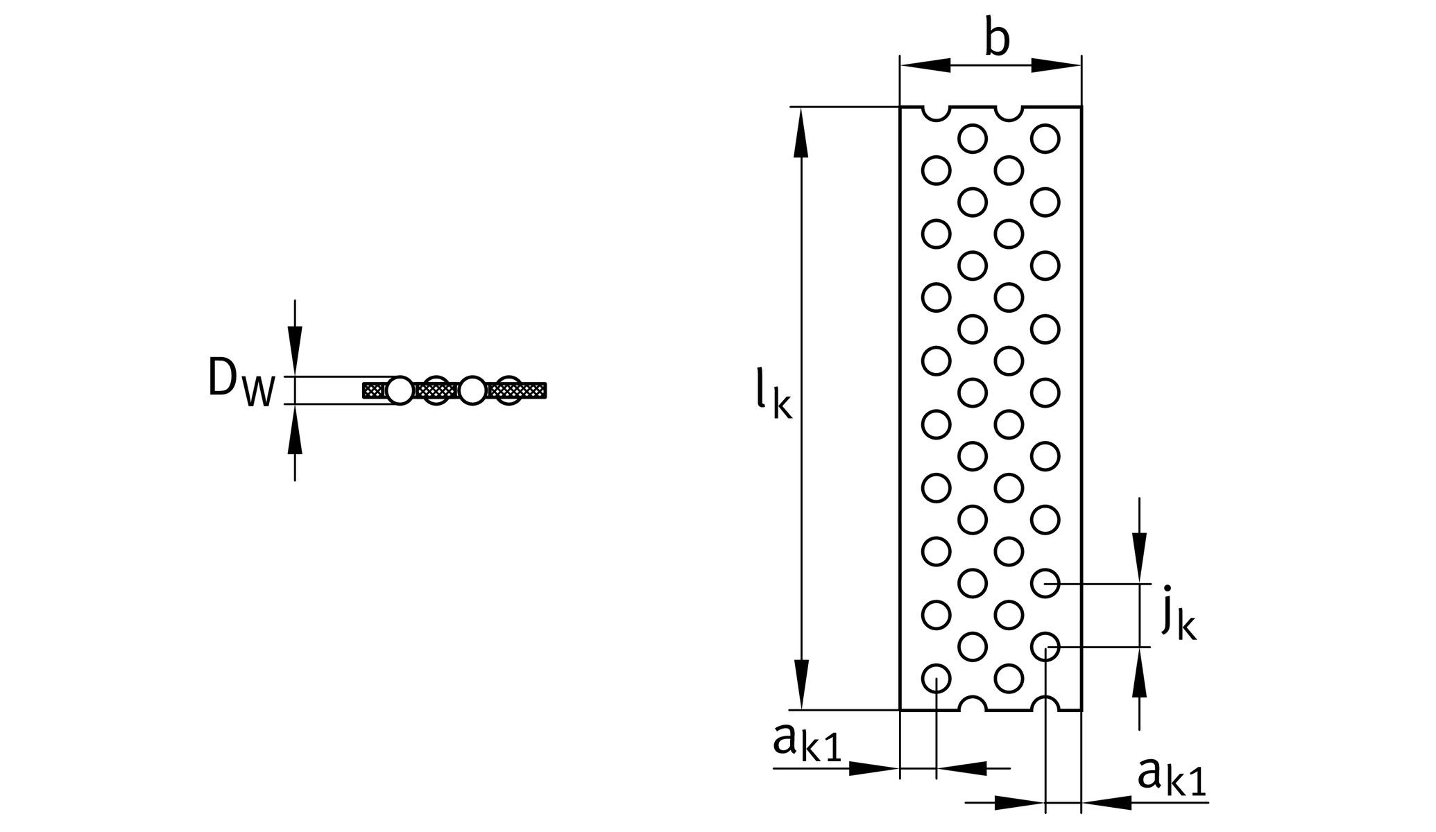
主要尺寸與性能資料
l
k max
4,000
mm
max. length
D
W
4
mm
rolling element diameter
b
25
mm
C
5,350
N
load capacity dyn.
1
C
0
5,000
N
load capacity stat.
1
≈m
187
g/m
重量
尺寸
j
k
3.5
mm
a
k1
5.5
mm
您目前的產品型號
Size code
3023
加入詢價
上一項產品
回到列表
下一項產品
Flat cage HB3023
已將您選擇的品項
加入詢價清單
非常感謝您!
選擇更多商品
瀏覽詢價清單