PRODUCTS


INA
HB2515
Flat cage HB2515
加入詢價
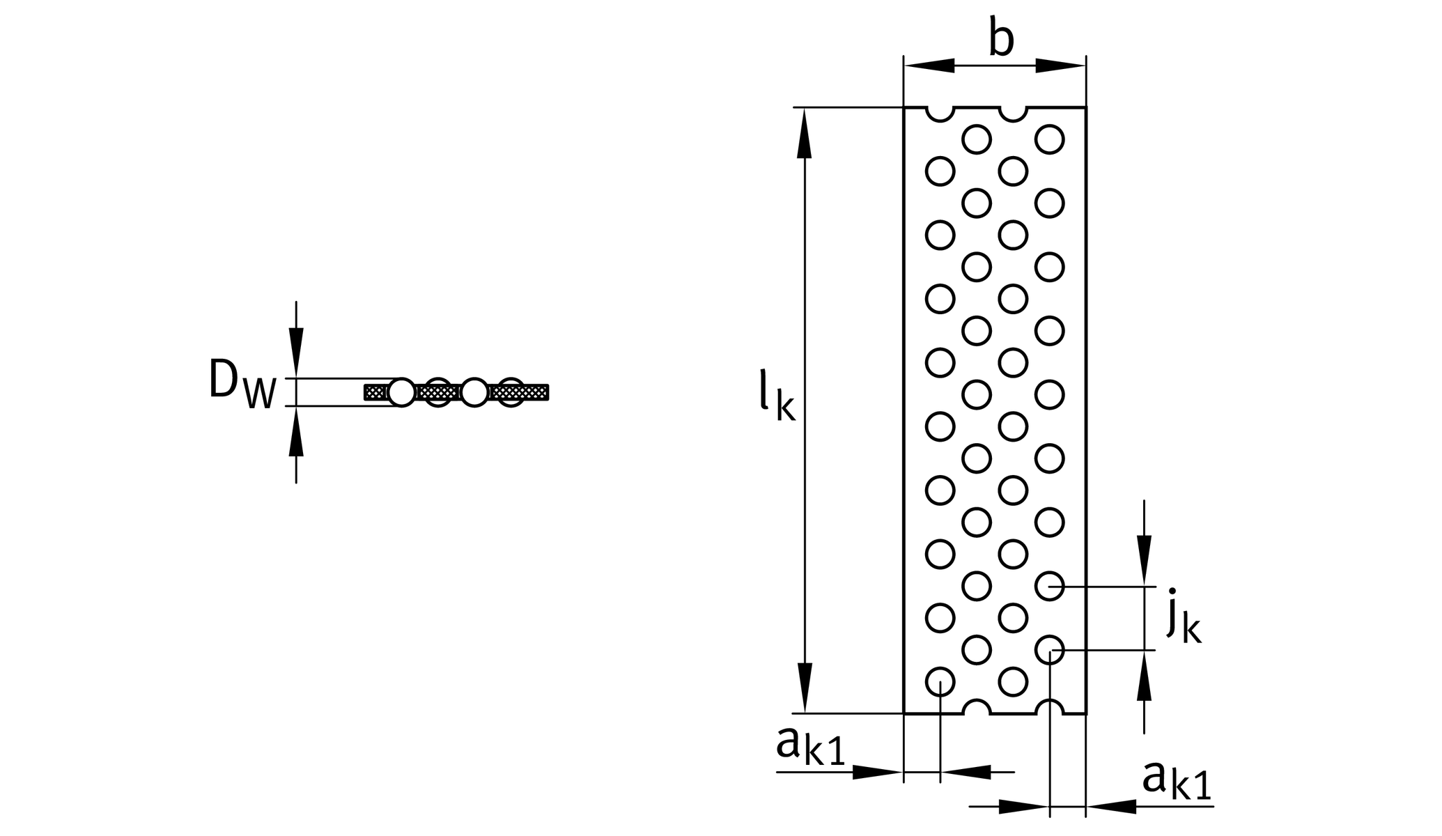
主要尺寸與性能資料
lk max
4,000 mm
max. length
DW
2.5 mm
rolling element diameter
b
15 mm
C
3,330 N
load capacity dyn. 1
C0
3,040 N
load capacity stat. 1
≈m
95 g/m
重量

尺寸
jk
3 mm
ak1
4.5 mm

Related products
J4025, S4025, J5025, S5025
associated rail

您目前的產品型號
Size code2515
加入詢價