PRODUCTS


INA
SL185044-TB-BR-C3-2S
Cylindrical roller bearing SL185044-TB-BR-C3-2S
加入詢價
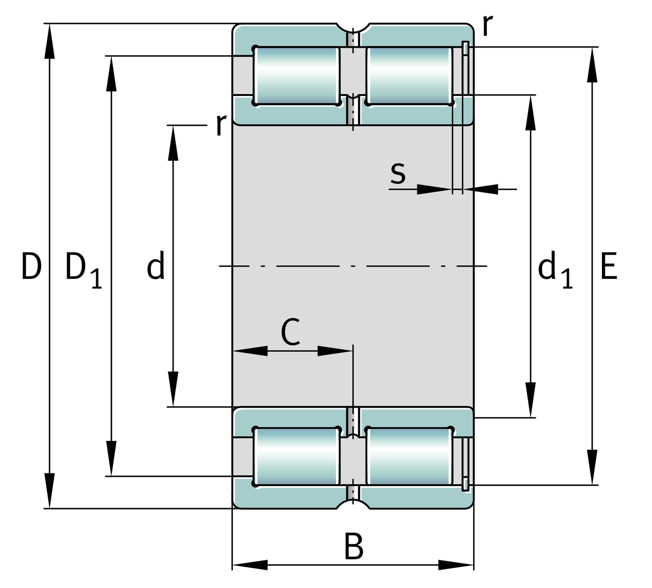
主要尺寸與性能資料
d
220 mm
內徑
D
340 mm
外徑
B
160 mm
寬度
Cr
1,980,000 N
基本額定動載荷,徑向
C0r
3,650,000 N
基本額定靜態負荷,徑向
Cur
440,000 N
疲勞負載極限,徑向
nG
1,140 1/min
極限轉速
nϑr
630 1/min
參考轉速
≈m
50.4 kg
重量

安裝尺寸
dc min
254.5 mm
最小軸肩
da min
254.6 mm
軸肩最小直徑
Da max
298 mm
殼肩最大直徑
ra max
3 mm
最大凹槽半徑
De min
297.8 mm
外殼肩部最小直徑

尺寸
rmin
3 mm
最小倒角尺寸
r1 min
3 mm
最小倒角尺寸
s
9 mm
軸向位移
C
80 mm
至潤滑孔距離
d1
254.6 mm
內圈最大擋邊直徑
D1 min
297.8 mm
外圈最小擋邊直徑
E
312.2 mm
外圈滾道直徑

溫度範圍
Tmin
-30 °C
最低工作溫度
Tmax
120 °C
最高操作溫度

您目前的產品型號
DesignTBBearings with increased axial load capacity
Radial internal clearanceC3 (Group 3)內部間隙大於CN
Tolerance classPN正常(PN)
Number of rolling element rows2雙列設計
加入詢價