PRODUCTS
- 首頁
- 產品介紹
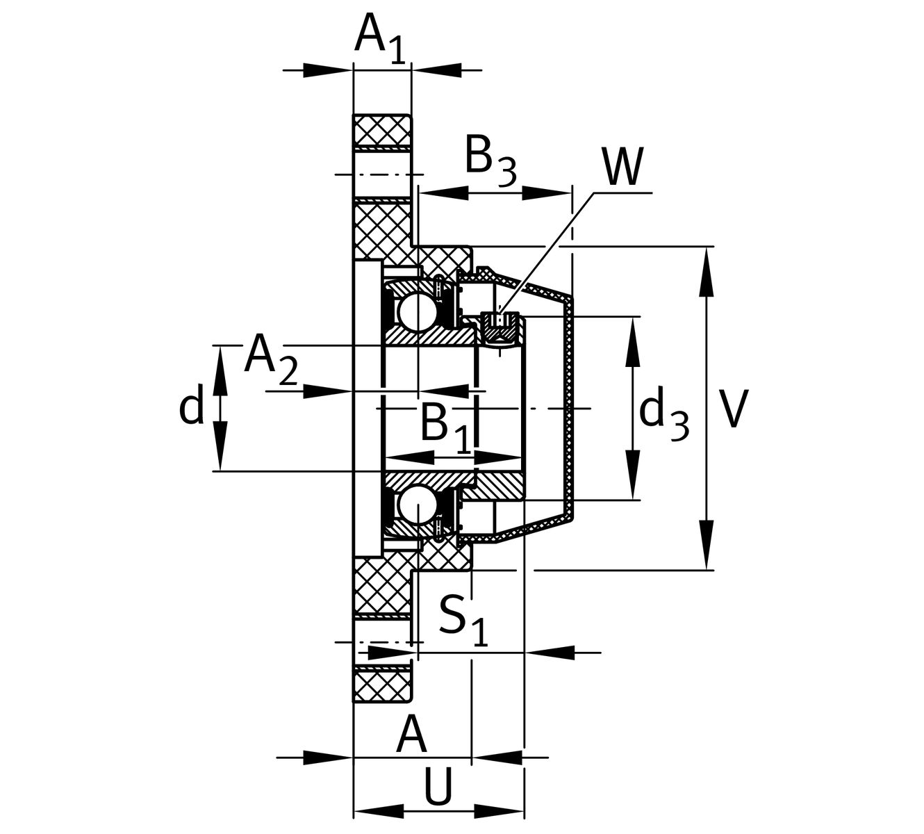
| d | 45 mm | 內徑 |
| L | 108 mm | 法蘭寬度 |
| H | 188.5 mm | Height flange |
| U | 56.8 mm | 總高度單位 |
| Cr | 32,500 N | 基本額定動載荷,徑向 |
| C0r | 20,400 N | 基本額定靜態負荷,徑向 |
| C0r G | 15,100 N | Load carrying capacity (軸承座) |
| ≈m | 1.09 kg | 重量 |
| J | 148.5 mm | 固定內孔距離 |
| N | 17 mm | 固定內徑 |
| n | 2 | 螺絲孔數 |
| A | 41 mm | 外殼高度 |
| A1 | 21 mm | 厚度 of flange |
| A2 | 24 mm | 滾道距離 |
| V | 108 mm | Shoulder diameter 軸承座 |
| Q | 1/4 - 28 UNF | 用於潤滑的連接螺紋 |
| d3 | 63 mm | 外徑 locking collar |
1 | 外殼數量 | |
CJT09-TV | 軸承座 | |
GRAE45-NPP-B-FA107/125.5 | 軸承型號 | |
KASK09 | Protecting cap |
| Tmin | -35 °C | 最低工作溫度 |
| Tmax | 100 °C | 最高操作溫度 |
| Material | TV | Plastic |
| Manufacturing instruction | FA125.5 | Bearing with Corrotect coating |