PRODUCTS
- 首頁
- 產品介紹
| L | 234 mm | length max |
| H | 38 mm | heigth min |
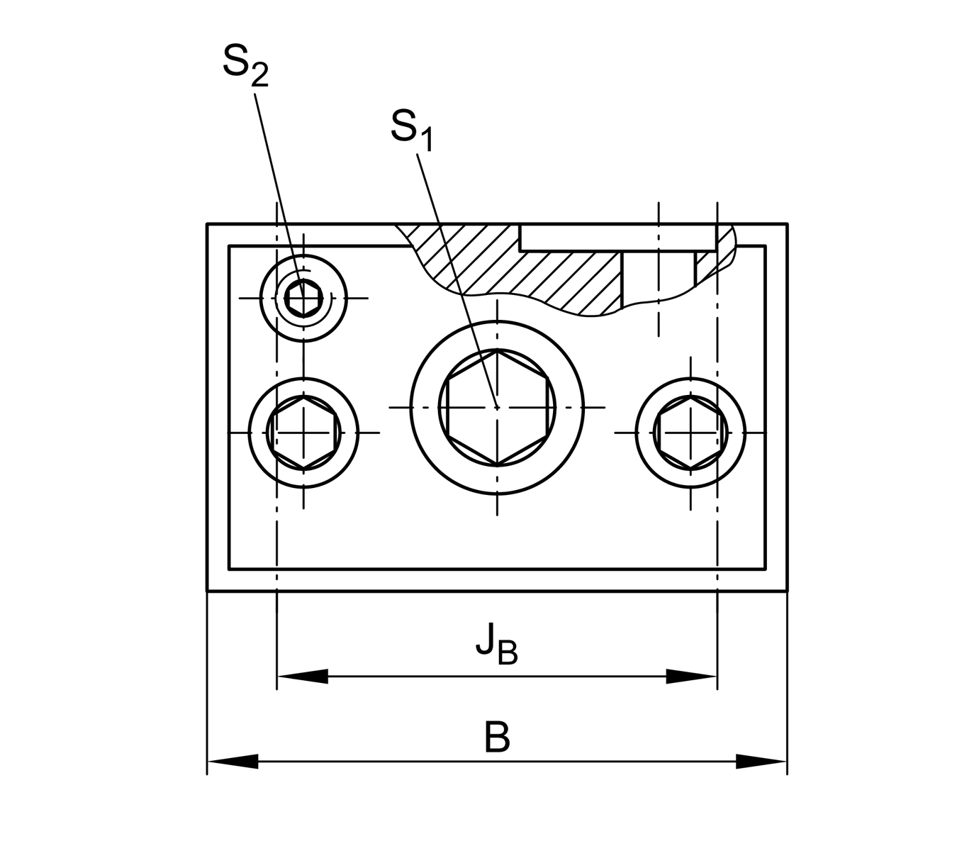
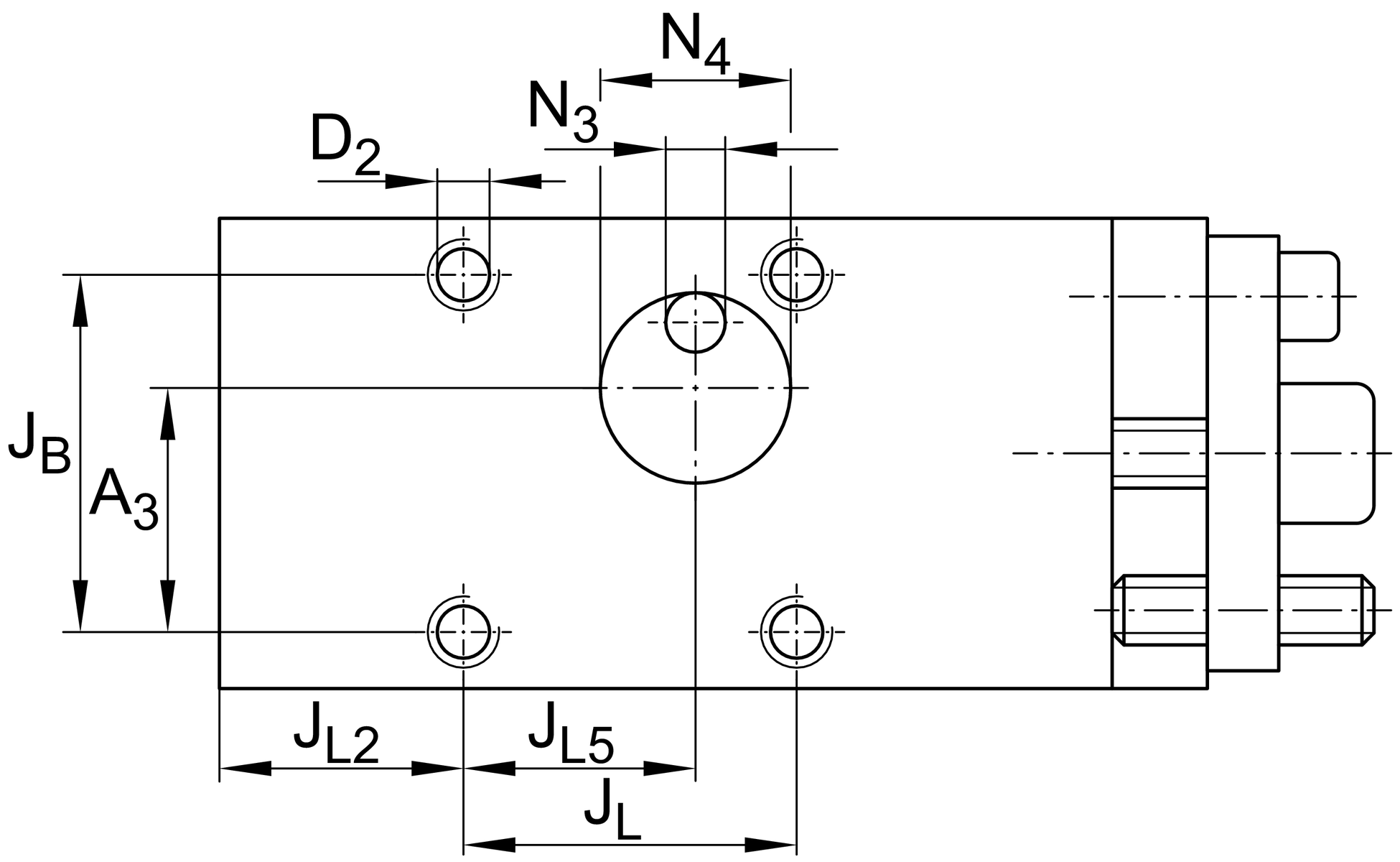
| B | 75 mm | 寬度 |
| ≈m | 4.5 kg | 重量 |
| L1 | 200 mm | |
| L2 | 220 mm | max |
| JB | 62 mm | |
| TolJB | +0,1 | 公差上限 |
| TolJB | -0,1 | 較低的公差 |
| JL | 76 mm | |
| TolJL | +0,1 | 公差上限 |
| TolJL | -0,1 | 較低的公差 |
| JL2 | 62 mm | |
| JL5 | 40.5 mm | |
| Q1 | 10 mm | max |
| A3 | 30.9 mm | |
| A4 | 21.6 mm | |
| N3 | 8 mm | 1 |
| N4 | 8 mm | |
| T5 | 7 mm |
| S1 | 12 mm | adjustment screw 內六角套筒 |
| S2 | 5 mm | locking/extraction screw 內六角套筒 2 |
| G2 | M10 | fixing screws DIN ISO4762-12.9 |
| MA G2 | 83 Nm | tightening torque |
| G3 | M8 | fixing screws DIN ISO4762-12.9 |
| MA G3 | 41 Nm | tightening torque |
| K3 | M8 | fixing screws DIN ISO4762-12.9 |
| MA K3 | 41 Nm | tightening torque |
| D2 | 9 mm | core hole |
| Δh | 0.5 mm | adjustment max |
0.075 mm | adjustment per screw revolution |
RUS65210 | for linear roller bearing |
| Size code | 65210 |