PRODUCTS
- 首頁
- 產品介紹
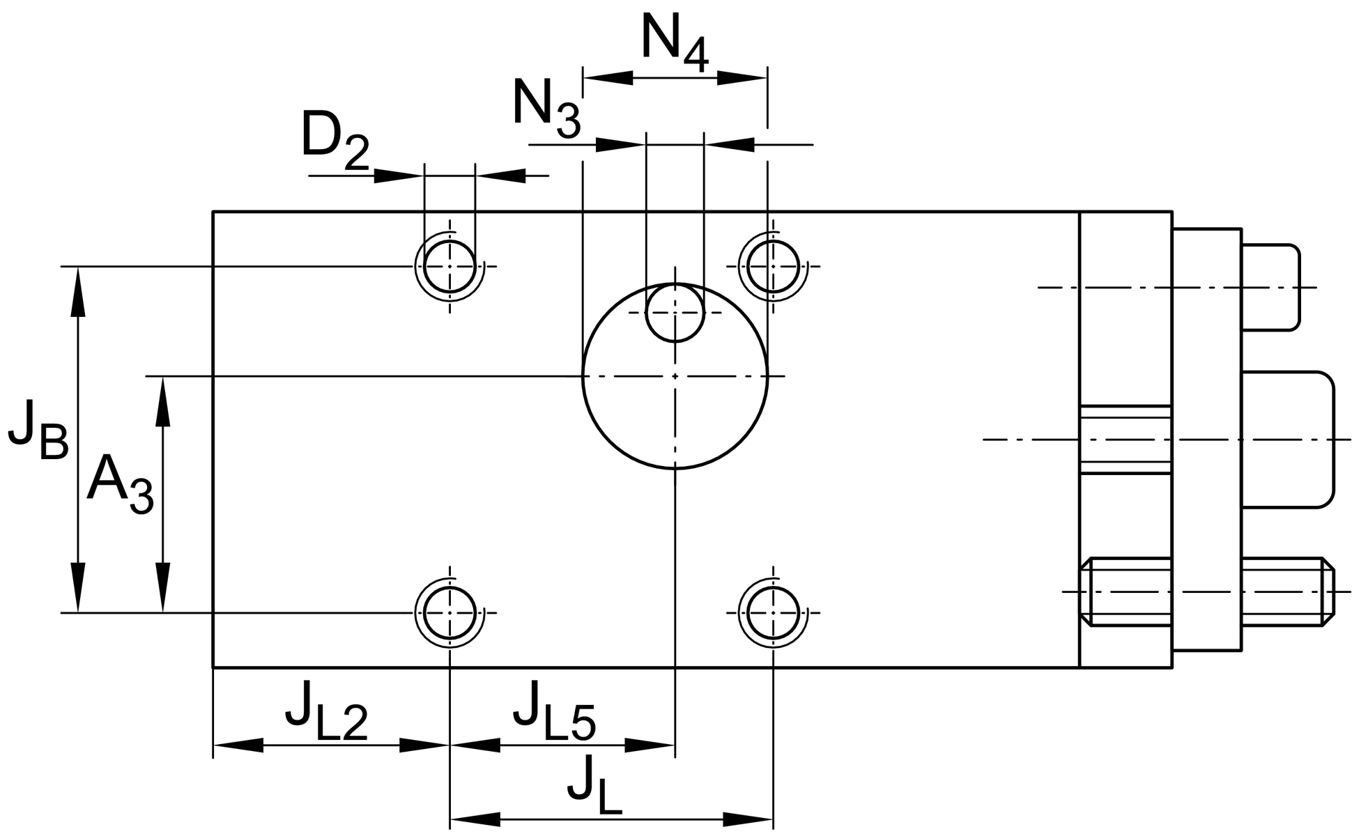
| L | 137 mm | length max |
| H | 25 mm | heigth min |
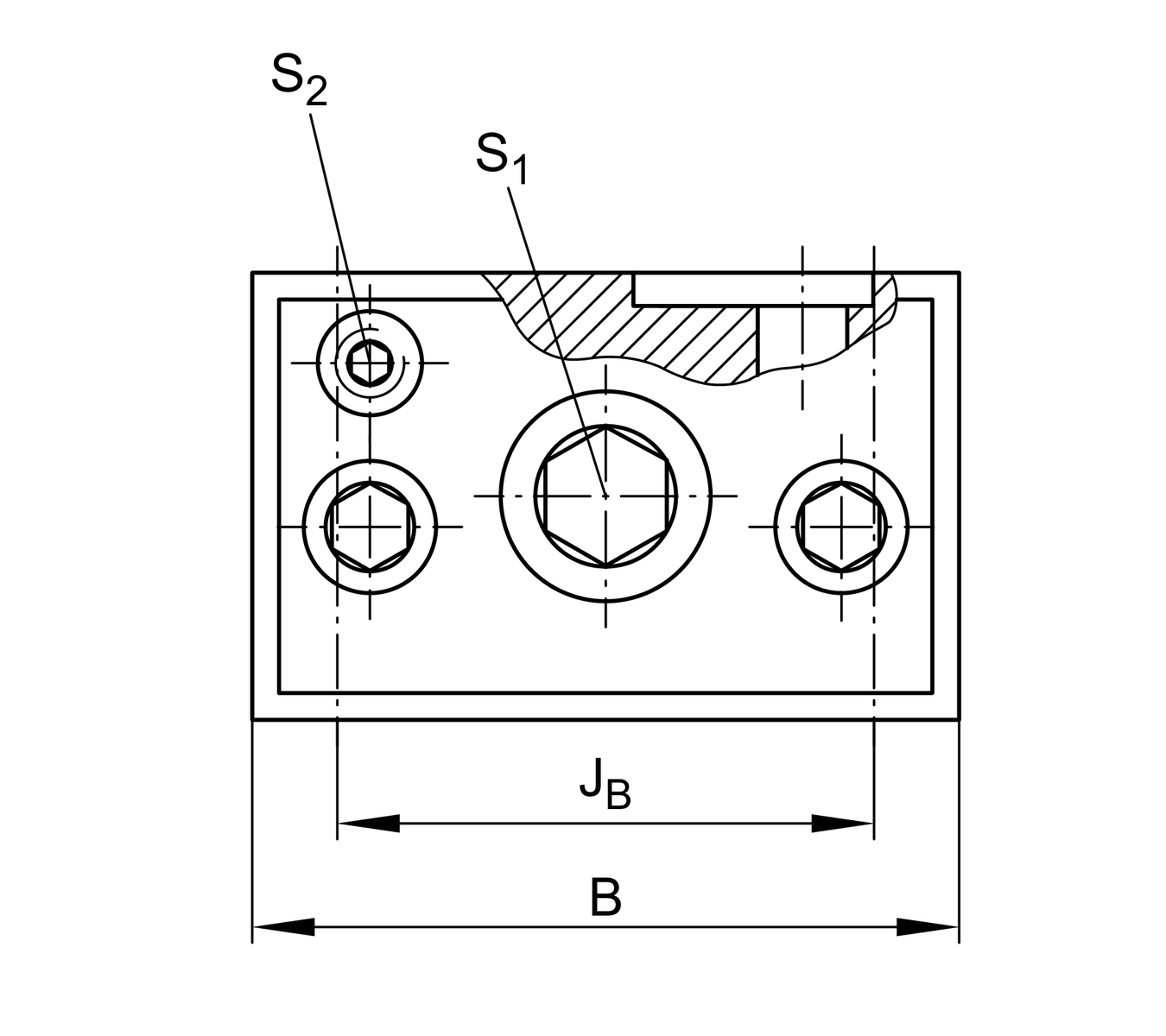
| B | 39.5 mm | 寬度 |
| ≈m | 0.89 kg | 重量 |
| L1 | 115 mm | |
| L2 | 129 mm | max |
| JB | 30 mm | |
| TolJB | +0,1 | 公差上限 |
| TolJB | -0,1 | 較低的公差 |
| JL | 68 mm | |
| TolJL | +0,1 | 公差上限 |
| TolJL | -0,1 | 較低的公差 |
| JL2 | 20.5 mm | |
| JL5 | 39.5 mm | |
| Q1 | 8 mm | max |
| A3 | 20.5 mm | |
| N3 | 5 mm | 1 |
| N4 | 16 mm | |
| T5 | 6 mm |
| S1 | 6 mm | adjustment screw 內六角套筒 |
| S2 | 3 mm | locking/extraction screw 內六角套筒 2 |
| G2 | M6 | fixing screws DIN ISO4762-12.9 |
| MA G2 | 17 Nm | tightening torque |
| G3 | M4 | fixing screws DIN ISO4762-12.9 |
| MA G3 | 5 Nm | tightening torque |
| K3 | M4 | fixing screws DIN ISO4762-12.9 |
| MA K3 | 5 Nm | tightening torque |
| D2 | 4.9 mm | core hole |
| Δh | 0.4 mm | adjustment max |
0.05 mm | adjustment per screw revolution |
RUS26126 | for linear roller bearing |
| Size code | 26126 | |
| Version | A |