PRODUCTS


FAG
UCFA208-25
Take-up housing unit UCFA208-25
加入詢價
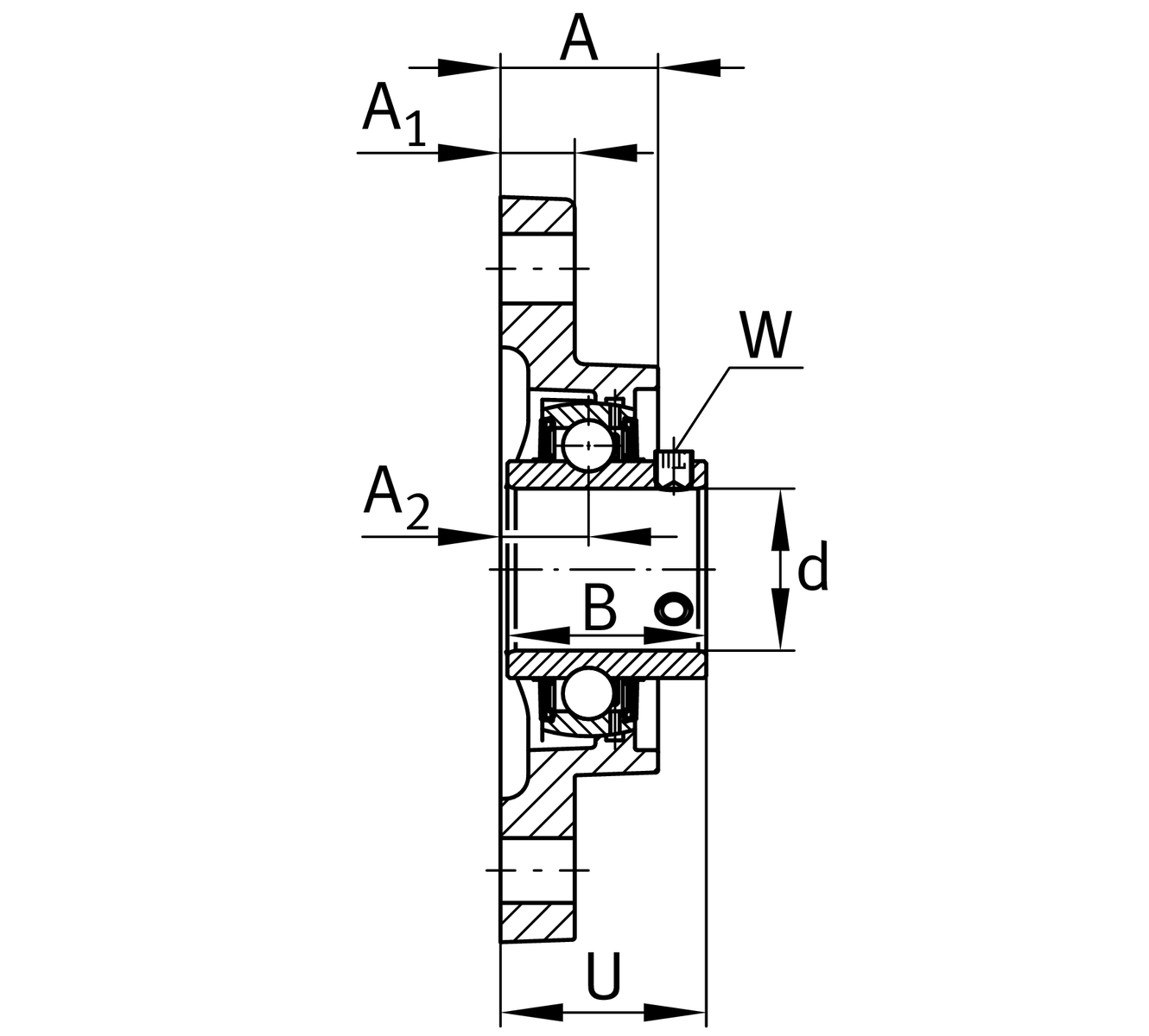
主要尺寸與性能資料
d
39.69 mm
內徑
L
175 mm
Length total
U
51.2 mm
總高度單位
≈m
1.54 kg
重量

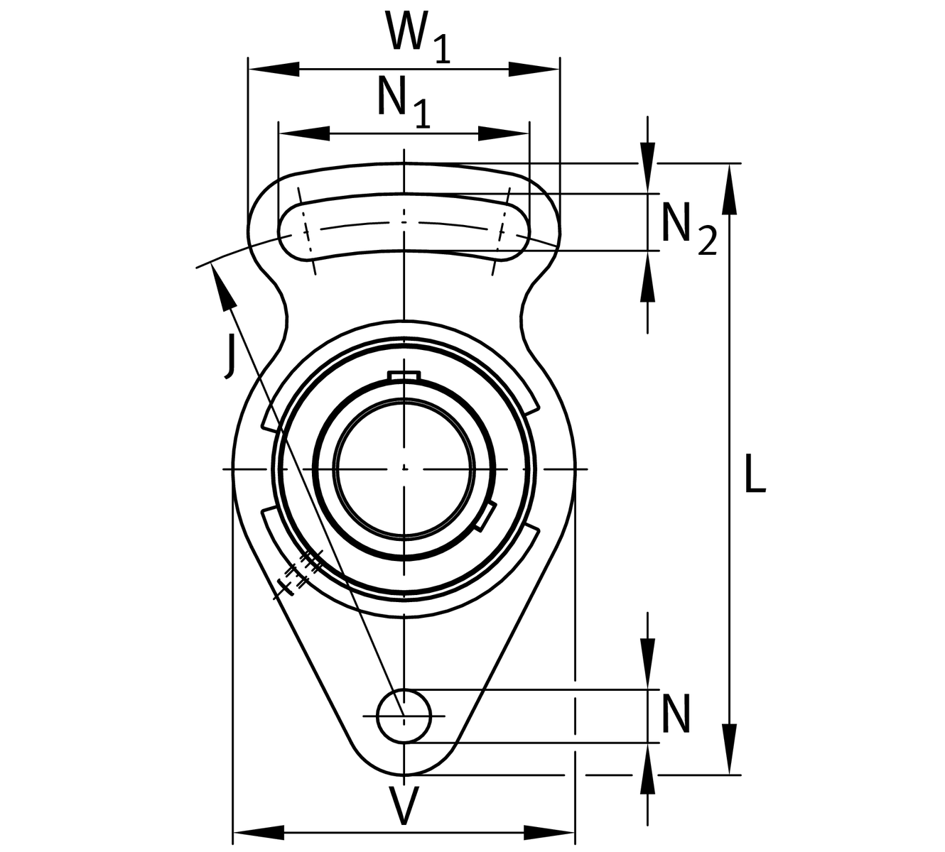
安裝尺寸
N
14 mm
固定內徑
N1
71 mm
Length (slot)
N2
14 mm
Width (slot)
J
144 mm
固定內孔距離

尺寸
A1
16 mm
厚度 of flange
A2
21 mm
滾道距離
A
36 mm
外殼高度
V
100 mm
Shoulder diameter 軸承座
W
87 mm
Width 軸承座 slot side
Q
M6
用於潤滑的連接螺紋

附加資訊
FA208
軸承座
UC208-25
軸承型號

溫度範圍
Tmin
-20 °C
最低工作溫度
Tmax
120 °C
最高操作溫度

您目前的產品型號
MaterialGG灰鑄鐵
加入詢價