INA
DRS2068
Seal carrier Assy DRS2068
加入詢價
主要尺寸與性能資料
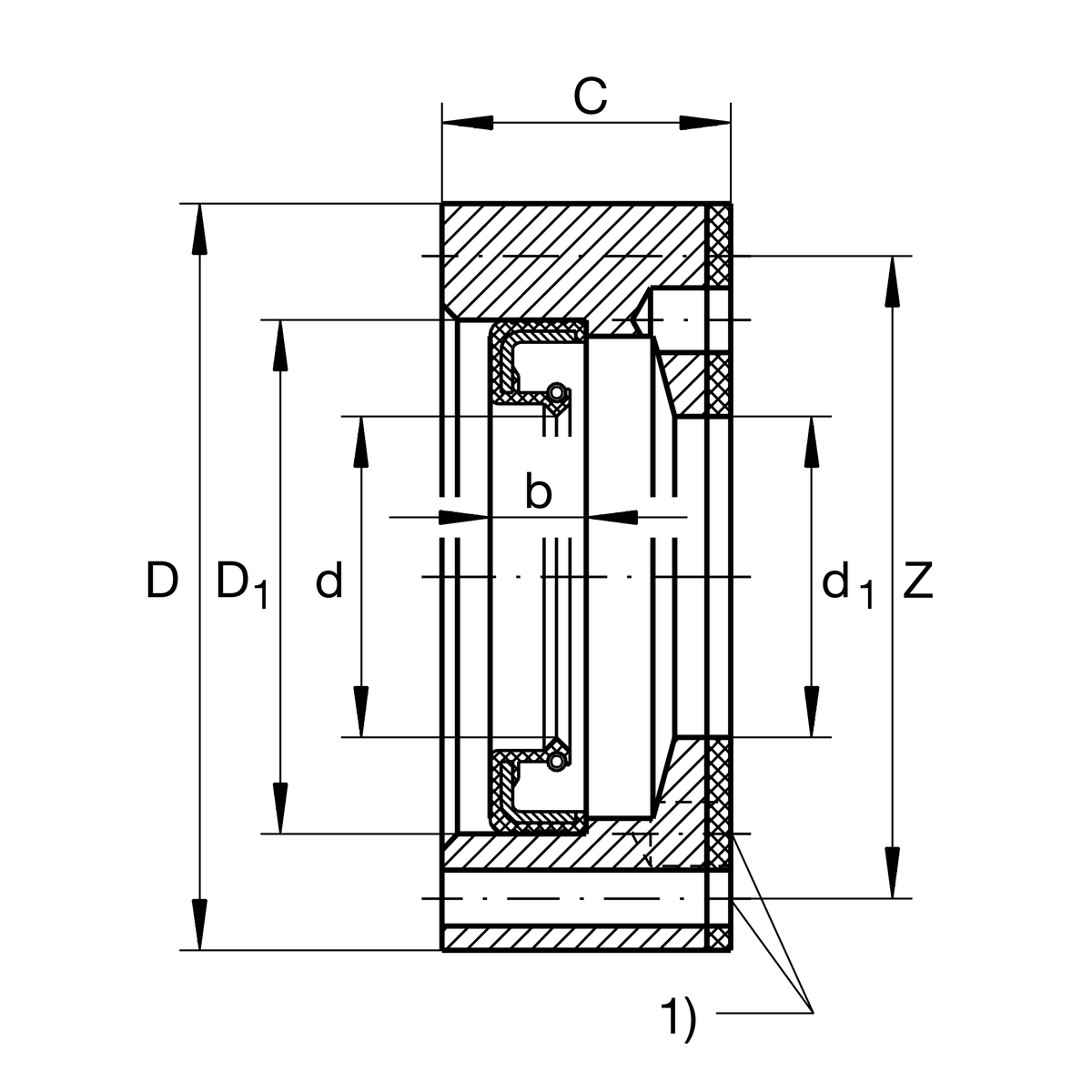
| d1 | 42 mm | 內徑 centering |
| D | 68 mm | 外徑 |
| C | 17 mm | Width wave carrier |
| ≈m | 0.206 kg | 重量 |
尺寸
| Z | 60.4 mm | Pitch circle diameter (holes) |
| d | 42 mm | 內徑 centering seal lip |
| D1 | 55 mm | 外徑密封 |
| b | 8 mm | Width seal |
| M3X25 | Screw size |
| 1) | 4 | Number of screws |
加入詢價
Seal carrier Assy DRS2068
已將您選擇的品項
加入詢價清單
非常感謝您!
選擇更多商品
瀏覽詢價清單